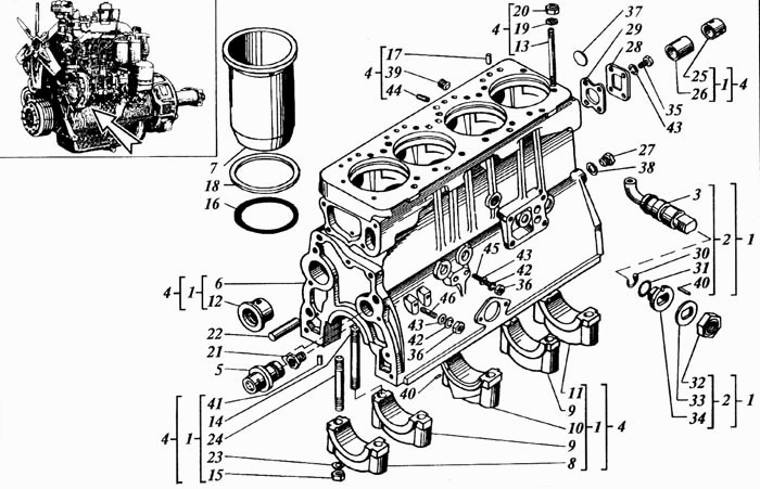
Блок-картер 23 (Каталог РСМ)

ВниманиеЭлектронный автокаталог запчастей предназначен для справочных целей! Наша компания продает только те товары, у которых есть цены в списке.

Вид отображения:

Детали справа
1

Номер детали на чертеже: 

1

Блок-картер

Заводской номер: 22-01С2Б-01 Количество на модель:
22-01С2Б-01
1

Номер детали на чертеже: 

1

Блок-картер

Заводской номер: 22-0102Б Количество на модель:
22-0102Б
2

Номер детали на чертеже: 

2

Установка форсунки

Заводской номер: 22-01С6А Количество на модель:
22-01С6А
3

Номер детали на чертеже: 

3

Форсунка

Заводской номер: 22-01С7А Количество на модель:
22-01С7А
4

Номер детали на чертеже: 

4

Блок-картер

Заводской номер: 22-01С13 Количество на модель:
22-01С13
5

Номер детали на чертеже: 

5

Палец с заглушкой

Заводской номер: 14-01С18А Количество на модель:
14-01С18А
6

Номер детали на чертеже: 

6

Блок-картер

Заводской номер: 31-0101Г-01 Количество на модель:
31-0101Г-01
7

Номер детали на чертеже: 

7

Гильза цилиндра

Заводской номер: 14-0102 Количество на модель:
14-0102
8

Номер детали на чертеже: 

8

Крышка первого коренного подшипника

Заводской номер: 14-0104-2А Количество на модель:
14-0104-2А
9

Номер детали на чертеже: 

9

Крышка второго и четвертого коренных подшипников

Заводской номер: 14-0105-3А Количество на модель:
14-0105-3А
10

Номер детали на чертеже: 

10

Крышка третьего коренного подшипника

Заводской номер: 14-0106-3А Количество на модель:
14-0106-3А
11

Номер детали на чертеже: 

11

Крышка четвертого коренного подшипника

Заводской номер: 14-0107-3А Количество на модель:
14-0107-3А
12

Номер детали на чертеже: 

12

Подшипник распределительного вала передний

Заводской номер: СМД14-0109 Количество на модель:
СМД14-0109
13

Номер детали на чертеже: 

13

Шпилька крепления головки

Заводской номер: 14-0116 Количество на модель:
14-0116
14

Номер детали на чертеже: 

14

Шпилька коренных подшипников

Заводской номер: 14-0117-1 Количество на модель:
14-0117-1
15

Номер детали на чертеже: 

15

Гайка коренных подшипников

Заводской номер: СМД1-0118 Количество на модель:
СМД1-0118
16

Номер детали на чертеже: 

16

Кольцо уплотнительное

Заводской номер: СМД9-0128А Количество на модель:
СМД9-0128А
042058
ВПТ
2246-062 СМД9-0128А
Код: 042058
Артикул: 2246-062, СМД9-0128А
Нет в наличии

На складах : Нет в наличии

Производитель: ВПТ
17

Номер детали на чертеже: 

17

Втулка

Заводской номер: СМД1-0130 Количество на модель:
СМД1-0130
18

Номер детали на чертеже: 

18

Кольцо

Заводской номер: 14-0141 Количество на модель:
14-0141
042052
ВПТ
2246-063 14-0141
Код: 042052
Артикул: 2246-063, 14-0141
Нет в наличии

На складах : Нет в наличии

Производитель: ВПТ
19

Номер детали на чертеже: 

19

Шайба

Заводской номер: 14-0150 Количество на модель:
14-0150
20

Номер детали на чертеже: 

20

Гайка

Заводской номер: 14-0163 Количество на модель:
14-0163
21

Номер детали на чертеже: 

21

Пробка

Заводской номер: СМД7-0164 Количество на модель:
СМД7-0164
22

Номер детали на чертеже: 

22

Втулка направляющая

Заводской номер: СМД7-0166 Количество на модель:
СМД7-0166
23

Номер детали на чертеже: 

23

Шайба специальная

Заводской номер: СМД7-0168 Количество на модель:
СМД7-0168
24

Номер детали на чертеже: 

24

Шпилька коренных подшипников

Заводской номер: 14-0185 Количество на модель:
14-0185
25

Номер детали на чертеже: 

25

Втулка распределительного вала средняя

Заводской номер: А57.02.025А2 Количество на модель:
А57.02.025А2
25

Номер детали на чертеже: 

25

Втулка распределительного вала средняя

Заводской номер: А57.02.025 Количество на модель:
А57.02.025
26

Номер детали на чертеже: 

26

Втулка распределительного вала задняя

Заводской номер: А57.02.024 Количество на модель:
А57.02.024
27

Номер детали на чертеже: 

27

Прокладка

Заводской номер: СМД7-0684 Количество на модель:
СМД7-0684
28

Номер детали на чертеже: 

28

Крышка задняя

Заводской номер: 15-0112 Количество на модель:
15-0112
29

Номер детали на чертеже: 

29

Прокладка патрубка

Заводской номер: СМД1-1329 Количество на модель:
СМД1-1329
683839
ПАК-АВТО
СМД1-1*РК 1724, СМД1-1022
Производитель: ПАК-АВТО
683840
ПАК-АВТО
31-01*РК 31-0131-1
Код: 683840
Артикул: 31-01*РК, 31-0131-1
Нет в наличии

На складах : Нет в наличии

Производитель: ПАК-АВТО
30

Номер детали на чертеже: 

30

Фиксатор

Заводской номер: 22-0147 Количество на модель:
22-0147
31

Номер детали на чертеже: 

31

Кольцо уплотнительное

Заводской номер: 22-0148 Количество на модель:
22-0148
32

Номер детали на чертеже: 

32

Гайка специальная

Заводской номер: 22-0149 Количество на модель:
22-0149
33

Номер детали на чертеже: 

33

Шайба стопорная

Заводской номер: 22-0150 Количество на модель:
22-0150
34

Номер детали на чертеже: 

34

Втулка

Заводской номер: 22-0151 Количество на модель:
22-0151
35

Номер детали на чертеже: 

35

Болт

Заводской номер: М10-6gх25.88 Количество на модель:
М10-6gх25.88
36

Номер детали на чертеже: 

36

Гайка

Заводской номер: М10-6Н.6 Количество на модель:
М10-6Н.6
37

Номер детали на чертеже: 

37

Заглушка

Заводской номер: 60-08 Количество на модель:
60-08
38

Номер детали на чертеже: 

38

Пробка резьбовая

Заводской номер: 14-0110 Количество на модель:
14-0110
39

Номер детали на чертеже: 

39

Пробка

Заводской номер: 4КГ3/8" Количество на модель:
4КГ3/8"
40

Номер детали на чертеже: 

40

Штифт цилиндрический

Заводской номер: 5h8х10 Количество на модель:
5h8х10
41

Номер детали на чертеже: 

41

Штифт

Заводской номер: 8h8х20 Количество на модель:
8h8х20
42

Номер детали на чертеже: 

42

Шайба

Заводской номер: 10.65Г.05 Количество на модель:
10.65Г.05
43

Номер детали на чертеже: 

43

Шайба

Заводской номер: 10х1,5.04.05 Количество на модель:
10х1,5.04.05
44

Номер детали на чертеже: 

44

Шпилька

Заводской номер: М8х20.88 Количество на модель:
М8х20.88
45

Номер детали на чертеже: 

45

Шпилька

Заводской номер: М10х22.88 Количество на модель:
М10х22.88
46

Номер детали на чертеже: 

46

Шпилька

Заводской номер: М10х28,56 Количество на модель:
М10х28,56