8 800 700-05-95 Все контакты

C 9:00 до 20:00. Звонок по РФ бесплатный

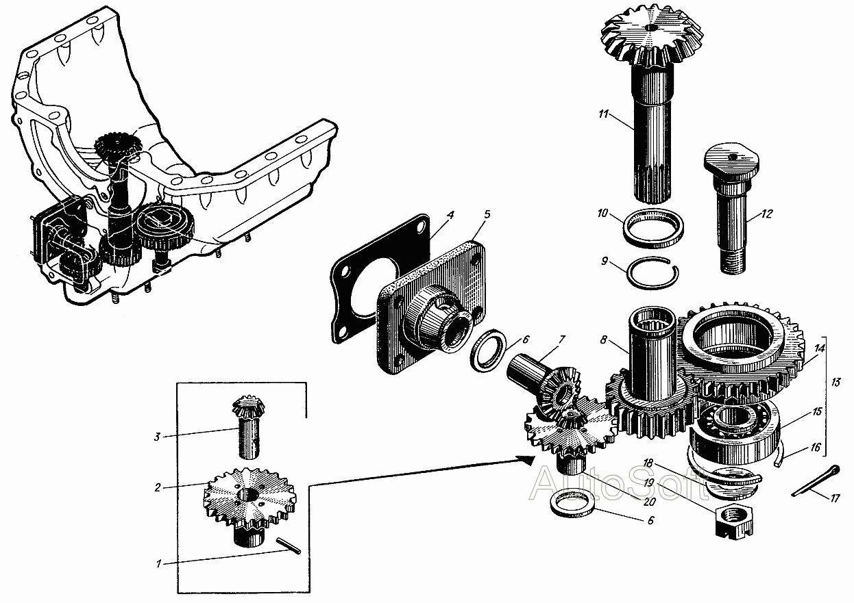
Передача к агрегатам Дизели Д12С1. Каталог 2009г.

ВниманиеЭлектронный автокаталог запчастей предназначен для справочных целей! Наша компания продает только те товары, у которых есть цены в списке.

Вид отображения:

Детали справа
1
2
3
4
5
6
7
8
9
10
11
12
13
14
15
16
17
18
19
20
1

Номер детали на чертеже: 

1

Штифт конический 4х26

Заводской номер: 302-33 Количество на модель: 1
302-33
1
2

Номер детали на чертеже: 

2

Шестерня привода топливоподкачивающего насоса вертикальная

Заводской номер: 302-32-1 Количество на модель: 1
302-32-1
1
3

Номер детали на чертеже: 

3

Шестерня привода топливоподкачивающего насоса вертикальная коническая

Заводской номер: 302-31-1 Количество на модель: 1
302-31-1
1
4

Номер детали на чертеже: 

4

Прокладка

Заводской номер: 302-56 Количество на модель: 1
302-56
1
5

Номер детали на чертеже: 

5

Подшипник горизонтальной шестерни привода топлива

Заводской номер: 302-37-3 Количество на модель: 1
302-37-3
1
6

Номер детали на чертеже: 

6

Кольцо установочное

Заводской номер: 302-54 Количество на модель: 2
302-54
2
7

Номер детали на чертеже: 

7

Шестерня привода топливоподкачивающего насоса горизонтальная

Заводской номер: 302-21 Количество на модель: 1
302-21
1
8

Номер детали на чертеже: 

8

Шестерня нижнего вертикального валика

Заводской номер: 502-23 Количество на модель: 1
502-23
1
9

Номер детали на чертеже: 

9

Кольцо упорное

Заводской номер: 302-108 Количество на модель: 1
302-108
1
10

Номер детали на чертеже: 

10

Кольцо установочное

Заводской номер: 308-72-2 Количество на модель: 1
308-72-2
1
11

Номер детали на чертеже: 

11

Валик вертикальный

Заводской номер: 502-45 Количество на модель: 1
502-45
1
12

Номер детали на чертеже: 

12

Палец передачи к масленому насосу

Заводской номер: 302-18-3 Количество на модель: 1
302-18-3
1
13

Номер детали на чертеже: 

13

Передача к масляному насосу

Заводской номер: сб.302-02-6 Количество на модель: 1
сб.302-02-6
1
14

Номер детали на чертеже: 

14

Шестерня привода масляного насоса

Заводской номер: 302-15-6 Количество на модель: 1
302-15-6
1
15

Номер детали на чертеже: 

15

Шарикоподшипник №60-305

Заводской номер: 302-16-1 Количество на модель: 1
302-16-1
1
16

Номер детали на чертеже: 

16

Замок

Заводской номер: 302-17-2 Количество на модель: 1
302-17-2
1
17

Номер детали на чертеже: 

17

Шплинт разводной 4х36

Заводской номер: 354-18 Количество на модель: 1
354-18
1
18

Номер детали на чертеже: 

18

Шайба

Заводской номер: 302-50 Количество на модель: 1
302-50
1
19

Номер детали на чертеже: 

19

Гайка М16

Заводской номер: 351-22-1 Количество на модель: 1
351-22-1
1
20

Номер детали на чертеже: 

20

Шестерня привода топливоподкачивающего насоса вертикальная

Заводской номер: сб.302-05-2 Количество на модель: 1
сб.302-05-2
1