8 800 700-05-95 Все контакты

C 9:00 до 20:00. Звонок по РФ бесплатный

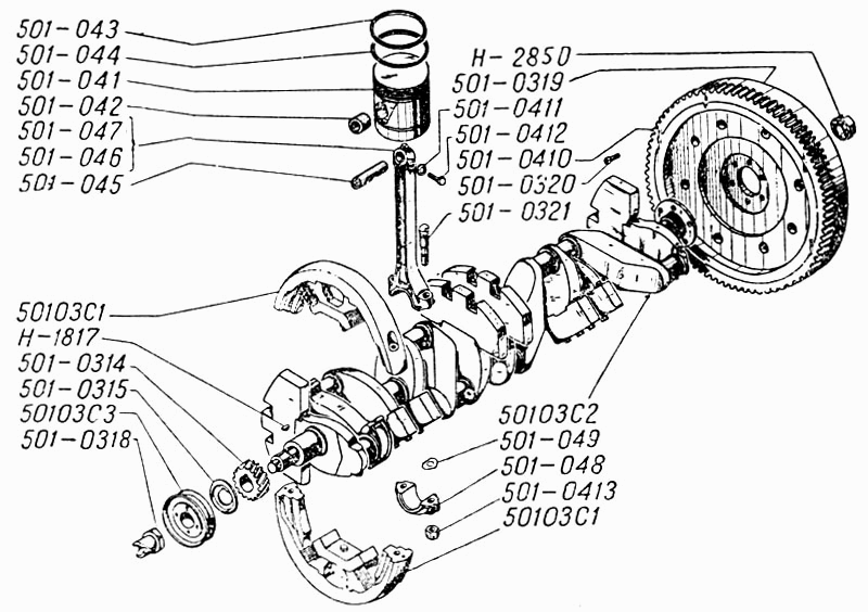
Вал коленчатый, поршень и шатун ЗИС-101

ВниманиеЭлектронный автокаталог запчастей предназначен для справочных целей! Наша компания продает только те товары, у которых есть цены в списке.

Номер детали на чертеже: 

Болт верхней головки шатуна

Заводской номер: 501-0412 Количество на модель: 8
501-0412
8

Номер детали на чертеже: 

Поршень со втулками в сборе

Заводской номер: 501-04С2 Количество на модель: 8
501-04С2
8

Номер детали на чертеже: 

Прокладка крышки шатуна

Заводской номер: 501-049 Количество на модель: 32
501-049
32

Номер детали на чертеже: 

Противовес коленчатого вала большой

Заводской номер: 501-034 Количество на модель: 4
501-034
4

Номер детали на чертеже: 

Противовес коленчатого вала малый

Заводской номер: 501-035 Количество на модель: 4
501-035
4

Номер детали на чертеже: 

Храповики

Заводской номер: 501-0318 Количество на модель: 1
501-0318
1

Номер детали на чертеже: 

Шайба пружинная к верхней головке шатуна

Заводской номер: 501-0411 Количество на модель: 8
501-0411
8

Номер детали на чертеже: 

Шатун нечетных цилиндров

Заводской номер: 501-046 Количество на модель: 4
501-046
4

Номер детали на чертеже: 

Шатун нечетных цилиндров с крышкой в сборе

Заводской номер: 501-04С3 Количество на модель: 4
501-04С3
4

Номер детали на чертеже: 

Шатун четных цилиндров

Заводской номер: 501-047 Количество на модель: 4
501-047
4

Номер детали на чертеже: 

Шатун четных цилиндров с крышкой в сборе

Заводской номер: 501-04С4 Количество на модель: 4
501-04С4
4

Номер детали на чертеже: 

Шестерня распределительная коленчатого вала

Заводской номер: 501-0314 Количество на модель: 1
501-0314
1

Номер детали на чертеже: 

Шкив ведущий вентилятора в сборе

Заводской номер: 501-03С3 Количество на модель: 1
501-03С3
1

Номер детали на чертеже: 

Шпилька крепления противовеса (большого)

Заводской номер: 501-032 Количество на модель: 8
501-032
8

Номер детали на чертеже: 

Шпилька крепления противовеса (малого)

Заводской номер: 501-033 Количество на модель: 8
501-033
8

Номер детали на чертеже: 

Поршень

Заводской номер: 501-041 Количество на модель: 8
501-041
8

Номер детали на чертеже: 

Полукольцо демпфера в сборе

Заводской номер: 501-03С1 Количество на модель: 2
501-03С1
2

Номер детали на чертеже: 

Подшипник шариковый радиальный

Заводской номер: Н-2850 Количество на модель: 1
Н-2850
1

Номер детали на чертеже: 

Болт крепления корпуса демпфера

Заводской номер: 501-0313 Количество на модель: 2
501-0313
2

Номер детали на чертеже: 

Болт крепления маховика

Заводской номер: 501-0321 Количество на модель: 6
501-0321
6

Номер детали на чертеже: 

Болт крышки шатуна

Заводской номер: 501-0410 Количество на модель: 16
501-0410
16

Номер детали на чертеже: 

Вал коленчатый

Заводской номер: 501-031 Количество на модель: 1
501-031
1

Номер детали на чертеже: 

Вал коленчатый в сборе

Заводской номер: 501-03С2 Количество на модель: 1
501-03С2
1

Номер детали на чертеже: 

Венец зубчатый маховика

Заводской номер: 501-0320 Количество на модель: 1
501-0320
1

Номер детали на чертеже: 

Втулка поршня

Заводской номер: 501-042 Количество на модель: 16
501-042
16

Номер детали на чертеже: 

Гайка коронная

Заводской номер: 501-0413 Количество на модель: 16
501-0413
16

Номер детали на чертеже: 

Кольцо поршневое компрессионное

Заводской номер: 501-043 Количество на модель: 16
501-043
16

Номер детали на чертеже: 

Кольцо поршневое маслоотводное

Заводской номер: 501-044 Количество на модель: 16
501-044
16

Номер детали на чертеже: 

Крышка шатуна

Заводской номер: 501-048 Количество на модель: 8
501-048
8

Номер детали на чертеже: 

Маслоотражатель коленчатого вала

Заводской номер: 501-0315 Количество на модель: 1
501-0315
1

Номер детали на чертеже: 

Маховик

Заводской номер: 501-0319 Количество на модель: 1
501-0319
1

Номер детали на чертеже: 

Палец поршня

Заводской номер: 501-045 Количество на модель: 8
501-045
8

Номер детали на чертеже: 

Шпонка

Заводской номер: Н-1817 Количество на модель:
Н-1817