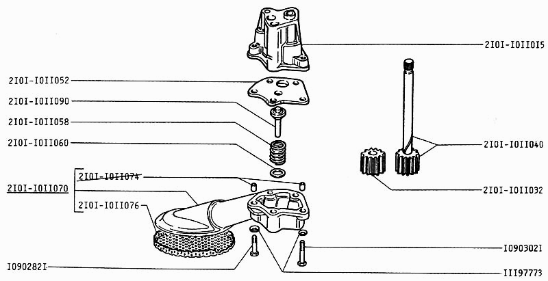
Насос масляный ИЖ 2126 с двигателем ВАЗ. Каталог 2004г.

TEHNOTRON — созданное в Набережных Челнах передовое предприятие машиностроительной направленности, водящее в состав холдинга «ТЭМПО». Технотрон обеспечивает запчастями сферу коммерческой и сельскохозяйственной техники, в особенности электрооборудование, краны и почвообрабатывающую аппаратуру.
Располагая внушительной технической и научной базой в Набережных Челнах, Tehnotron независимо осуществляет полный цикл изготовления продукции, от проектирования и подготовки ресурсов, до тестирования и реализации товара, необходимого, в том числе для экономических нужд легкой и тяжелой промышленности.
Важно отметить, что в структурно-производственной цепи, есть место для проверки итогового продукта испытательным центром, который ответственен не только за предотвращение возможных проблем, но и за наиболее продуктивное совершенствование характеристик каждого конкретного изделия. Своим конкурентным преимуществом Технотрон выделяет особую технологию окрашивания автокомплектующих из SMC.
Бренд Tehnotron отвечает за соответствие высоким международным стандартам качества, что регулярно подтверждается обновляемым перечнем сертификатов и независимым органом оценки United Registrar of Systems Ltd. (URS Certification), благодаря контролю сырья, материалов и входящих комплектующих. Производственный потенциал в концерне позволяют конструировать и собирать все элементы самостоятельно в Набережных Челнах, не привлекая сторонние организации.
В настоящее время Технотрон в основном ориентированы на активное сотрудничество с такими автомобильными марками как ПАО «КАМАЗ», ОАО «МАЗ», «Группа ГАЗ», DAIMLER KAMAZ RUS и АЗ «УРАЛ». Компания стремится выйти на стабильный рост объемов производства, освоить также и региональные рынки и консолидировать автопромышленность.
Ассортимент:
- Система охлаждения
- Система питания
- Оперение кабины (экстерьер а/м 5490)
- Принадлежности кабины
- Элементы подвески
- Тягово-сцепные устройства
- Электрика
- Седельно-сцепные устройства
- Троллейный шинопровод и многое другое

TEHNOTRON — созданное в Набережных Челнах передовое предприятие машиностроительной направленности, водящее в состав холдинга «ТЭМПО». Технотрон обеспечивает запчастями сферу коммерческой и сельскохозяйственной техники, в особенности электрооборудование, краны и почвообрабатывающую аппаратуру.
Располагая внушительной технической и научной базой в Набережных Челнах, Tehnotron независимо осуществляет полный цикл изготовления продукции, от проектирования и подготовки ресурсов, до тестирования и реализации товара, необходимого, в том числе для экономических нужд легкой и тяжелой промышленности.
Важно отметить, что в структурно-производственной цепи, есть место для проверки итогового продукта испытательным центром, который ответственен не только за предотвращение возможных проблем, но и за наиболее продуктивное совершенствование характеристик каждого конкретного изделия. Своим конкурентным преимуществом Технотрон выделяет особую технологию окрашивания автокомплектующих из SMC.
Бренд Tehnotron отвечает за соответствие высоким международным стандартам качества, что регулярно подтверждается обновляемым перечнем сертификатов и независимым органом оценки United Registrar of Systems Ltd. (URS Certification), благодаря контролю сырья, материалов и входящих комплектующих. Производственный потенциал в концерне позволяют конструировать и собирать все элементы самостоятельно в Набережных Челнах, не привлекая сторонние организации.
В настоящее время Технотрон в основном ориентированы на активное сотрудничество с такими автомобильными марками как ПАО «КАМАЗ», ОАО «МАЗ», «Группа ГАЗ», DAIMLER KAMAZ RUS и АЗ «УРАЛ». Компания стремится выйти на стабильный рост объемов производства, освоить также и региональные рынки и консолидировать автопромышленность.
Ассортимент:
- Система охлаждения
- Система питания
- Оперение кабины (экстерьер а/м 5490)
- Принадлежности кабины
- Элементы подвески
- Тягово-сцепные устройства
- Электрика
- Седельно-сцепные устройства
- Троллейный шинопровод и многое другое
На складах : 963 шт.

AVTOSTANDART завоевал доверие автовладельцев как производитель доступных и надежных автозапчастей, сочетающий международные стандарты качества с адаптацией к местным условиям эксплуатации. История бренда насчитывает более 20 лет, начиная с организации собственных производственных линий в Тольятти в 2005 году, где и сегодня выпускается значительная часть продукции для автомобилей ВАЗ. Специализация AVTOSTANDART изначально фокусировалась на деталях для российских автомобилей, таких как пружины подвески, тормозные колодки, рулевые наконечники и фильтры, но сегодня ассортимент включает компоненты для иномарок, включая коммерческий транспорт Mercedes, Volkswagen и Ford.
Философия бренда строится на принципе «неубиваемости» в условиях реальных дорог. Продукция проектируется с учетом специфики эксплуатации в регионах с плохим покрытием, перепадами температур и высокой влажностью. Например, тормозные колодки AVTOSTANDART производятся по безасбестовой технологии, обеспечивающей эффективное и бесшумное торможение даже при перегрузках, а их состав оптимизирован для минимизации износа дисков. Такие решения проходят многоступенчатые испытания на полигонах и в лабораториях, включая тесты на холодоустойчивость, абразивный износ и термостойкость, что гарантирует соответствие стандартам ECE R-90 и ДСТУ.
Система контроля качества — ключевой актив бренда. Все заводы, включая зарубежные партнерские площадки, работают по единым стандартам ISO 9001, IATF и ISO/TS 16949, что подтверждено сертификатами. Технологический процесс включает входной контроль материалов, прессовку с точным соблюдением температурных режимов, рентгенографию металлоконструкций и финальные ресурсные тесты. Это исключает брак, но рынок столкнулся с проблемой подделок. Для защиты потребителя AVTOSTANDART внедрил многоуровневую систему идентификации: голографические наклейки, QR-коды для верификации на официальном сайте, микротиснение на упаковке и лазерную гравировку на деталях.
Продукция бренда рассчитана на разные сценарии использования. Для повседневной эксплуатации в городском цикле или на трассе подходят стандартные линии, демонстрирующие ресурс, превышающий гарантийный срок при своевременном ТО. Однако для экстремальных режимов — таких, как спортивная езда, постоянные перегрузки или работа в условиях бездорожья — инженеры рекомендуют премиальные серии с усиленными характеристиками. Отзывы клиентов подчеркивают оптимальное соотношение цены и качества, хотя некоторые негативные оценки связаны с установкой неоригинальных деталей или нарушением регламентов обслуживания.
АвтоАльянс — ваш надежный партнер в мире автозапчастей. Мы предлагаем обширный каталог продукции бренда — от тормозных систем до компонентов подвески — с гарантией подлинности и профессиональными консультациями по установке. Наши клиенты получают доступ к деталям, протестированным в реальных дорожных условиях, по конкурентным ценам и с гибкой системой скидок для оптовых заказов.
Ассортимент:
- Гидравлика
- Глушители
- ДВС
- Карданные валы
- Комплекты поршневых колец
- КПП
- Опоры
- Подвеска
- Радиаторы
- Рулевая система
- Стойки и амортизаторы
- Ступицы и подшипники колес
- Тормозная система
- Трансмиссия
- Усиленный ступичный узел
- Фильтры и прочее
На складах : 8 шт.

AVTOSTANDART завоевал доверие автовладельцев как производитель доступных и надежных автозапчастей, сочетающий международные стандарты качества с адаптацией к местным условиям эксплуатации. История бренда насчитывает более 20 лет, начиная с организации собственных производственных линий в Тольятти в 2005 году, где и сегодня выпускается значительная часть продукции для автомобилей ВАЗ. Специализация AVTOSTANDART изначально фокусировалась на деталях для российских автомобилей, таких как пружины подвески, тормозные колодки, рулевые наконечники и фильтры, но сегодня ассортимент включает компоненты для иномарок, включая коммерческий транспорт Mercedes, Volkswagen и Ford.
Философия бренда строится на принципе «неубиваемости» в условиях реальных дорог. Продукция проектируется с учетом специфики эксплуатации в регионах с плохим покрытием, перепадами температур и высокой влажностью. Например, тормозные колодки AVTOSTANDART производятся по безасбестовой технологии, обеспечивающей эффективное и бесшумное торможение даже при перегрузках, а их состав оптимизирован для минимизации износа дисков. Такие решения проходят многоступенчатые испытания на полигонах и в лабораториях, включая тесты на холодоустойчивость, абразивный износ и термостойкость, что гарантирует соответствие стандартам ECE R-90 и ДСТУ.
Система контроля качества — ключевой актив бренда. Все заводы, включая зарубежные партнерские площадки, работают по единым стандартам ISO 9001, IATF и ISO/TS 16949, что подтверждено сертификатами. Технологический процесс включает входной контроль материалов, прессовку с точным соблюдением температурных режимов, рентгенографию металлоконструкций и финальные ресурсные тесты. Это исключает брак, но рынок столкнулся с проблемой подделок. Для защиты потребителя AVTOSTANDART внедрил многоуровневую систему идентификации: голографические наклейки, QR-коды для верификации на официальном сайте, микротиснение на упаковке и лазерную гравировку на деталях.
Продукция бренда рассчитана на разные сценарии использования. Для повседневной эксплуатации в городском цикле или на трассе подходят стандартные линии, демонстрирующие ресурс, превышающий гарантийный срок при своевременном ТО. Однако для экстремальных режимов — таких, как спортивная езда, постоянные перегрузки или работа в условиях бездорожья — инженеры рекомендуют премиальные серии с усиленными характеристиками. Отзывы клиентов подчеркивают оптимальное соотношение цены и качества, хотя некоторые негативные оценки связаны с установкой неоригинальных деталей или нарушением регламентов обслуживания.
АвтоАльянс — ваш надежный партнер в мире автозапчастей. Мы предлагаем обширный каталог продукции бренда — от тормозных систем до компонентов подвески — с гарантией подлинности и профессиональными консультациями по установке. Наши клиенты получают доступ к деталям, протестированным в реальных дорожных условиях, по конкурентным ценам и с гибкой системой скидок для оптовых заказов.
Ассортимент:
- Гидравлика
- Глушители
- ДВС
- Карданные валы
- Комплекты поршневых колец
- КПП
- Опоры
- Подвеска
- Радиаторы
- Рулевая система
- Стойки и амортизаторы
- Ступицы и подшипники колес
- Тормозная система
- Трансмиссия
- Усиленный ступичный узел
- Фильтры и прочее