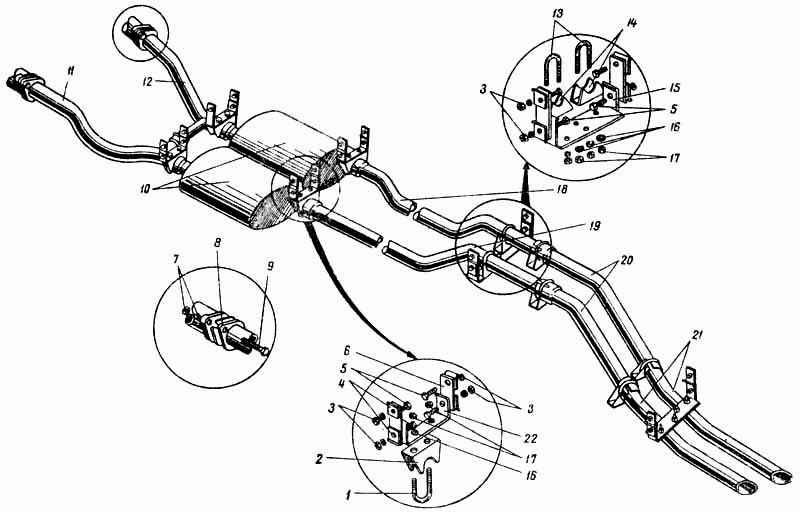
Глушитель и подвеска труб ПАЗ-672М. Каталог 1987г.

"АвтоАльянс" предагает системы выпуска газов производства Баксанский Завод "Автозапчасть" на все виды отечественных автомобилей. ОАО "Автозапчасть" как специализированное предприятие по производству глушителей работает с 1970 года. Тогда было поручено заводу освоение выпуска глушителей к грузовикам "ГАЗ-51" для поставки их в запасные части. В течение пяти лет (80 - 85 г.г.) во исполнение решения Министерства автомобильной промышленности СССР в результате технического перевооружения на заводе были созданы мощности для производства 4,2 млн. штук глушителей в год для комплектования автозаводов ГАЗ, ЗИЛ, УАЗ, ПАЗ и обеспечение потребности автопарка бывшего Союза в запасные части. Затем были освоены изделия для автомобилей ВАЗ, КАМАЗ, ЛиАЗ, Москвич, Икарус. В настоящее время номенклатура выпускаемых заводом продукции охватывает более 100 наименований элементов системы выпуска газов, куда входят газоприемные, промежуточные и выхлопные трубы, основные и дополнительные глушители к семейству автомобилей перечисленных отечественных автозаводов. Конструкции выпускаемых глушителей и отдельные образцы используемого технологического оборудования отличаются относительной простотой и высокой эффективностью. Во многих из них использованы изобретения сотрудников с многолетним опытом работы на заводе. Изготовление большинства деталей и сборка узлов на БЗА производится с применением передовых технологий на современном иностранном оборудовании компаний "Deskam", " Leifeld", Sicplant International. Завод производит продукцию по замкнутому маршрутно-технологическому циклу от раскроя рулонного листового проката, изготовления деталей методом холодной штамповки, сварки труб, сборки изделий на поточно-механизированных линиях до покраски жаростойкой эмалью. Сборка осуществляется на специализированных поточно-механизированных линиях, различными методами сварки, продольной и поперечной закатки и механическим креплением - расчеканкой.

"АвтоАльянс" предагает системы выпуска газов производства Баксанский Завод "Автозапчасть" на все виды отечественных автомобилей. ОАО "Автозапчасть" как специализированное предприятие по производству глушителей работает с 1970 года. Тогда было поручено заводу освоение выпуска глушителей к грузовикам "ГАЗ-51" для поставки их в запасные части. В течение пяти лет (80 - 85 г.г.) во исполнение решения Министерства автомобильной промышленности СССР в результате технического перевооружения на заводе были созданы мощности для производства 4,2 млн. штук глушителей в год для комплектования автозаводов ГАЗ, ЗИЛ, УАЗ, ПАЗ и обеспечение потребности автопарка бывшего Союза в запасные части. Затем были освоены изделия для автомобилей ВАЗ, КАМАЗ, ЛиАЗ, Москвич, Икарус. В настоящее время номенклатура выпускаемых заводом продукции охватывает более 100 наименований элементов системы выпуска газов, куда входят газоприемные, промежуточные и выхлопные трубы, основные и дополнительные глушители к семейству автомобилей перечисленных отечественных автозаводов. Конструкции выпускаемых глушителей и отдельные образцы используемого технологического оборудования отличаются относительной простотой и высокой эффективностью. Во многих из них использованы изобретения сотрудников с многолетним опытом работы на заводе. Изготовление большинства деталей и сборка узлов на БЗА производится с применением передовых технологий на современном иностранном оборудовании компаний "Deskam", " Leifeld", Sicplant International. Завод производит продукцию по замкнутому маршрутно-технологическому циклу от раскроя рулонного листового проката, изготовления деталей методом холодной штамповки, сварки труб, сборки изделий на поточно-механизированных линиях до покраски жаростойкой эмалью. Сборка осуществляется на специализированных поточно-механизированных линиях, различными методами сварки, продольной и поперечной закатки и механическим креплением - расчеканкой.

"Завод Красная Этна" уже более 110 лет производит крепёжные изделия и пружины для автомобильной промышленности. История завода начинается с 24 декабря 1898 года, когда по положению Комитета Министров Николай Второй разрешает Виктору Михайловичу Гольденбергу и германскому подданному Петру Ивановичу Мартини учредить "Акционерное Общество Рижского металлического завода "Этна". С 1904 года по 1915 год на Рижском металлическом заводе работали цеха: гвоздильный, горячепрокатный, цепочный, травильный, отжигательный, волочильный. Продукция завода была востребована в России, Прибалтике и за рубежом. В годы первой мировой войны завод был эвакуирован из Риги в Нижний Новгород. С этого момента для завода начинается новая история. Во время войны "Завод Красная Этна" обеспечивал своей продукцией фронт. На заводе начался выпуск минных цепей, гвоздей к солдатским сапогам, колючей проволоки, пряжек к ружьям и карабинов, а также другой продукции для нужд фронта и населения России. С 1916 года по 1918 год происходит национализация завода и смена учредителей. Завод стал именоваться, как Акционерное общество Нижегородского металлического завода "Новая Этна". С приходом советской власти на заводе сменилось название на "Красная Этна" и были запущены: электростанция, прокатный цех, цех тонкого волочения и болтозаклепочный цех. В 1925 в структуру завода вливается предприятие с парком металлорежущего оборудования. В этом же году, на базе влившегося предприятия, создаются инструментальный и механический цеха, а также лесопильно-ящичный цех. В начале 30х, организовано строительство Горьковского автомобильного завода, который оказал большое влияние на развитие и деятельность предприятия. "Красная Этна" переходит на выпуск изделий высокого класса точности и включается в обслуживание автомобильной промышленности страны. К началу Великой Отечественной войны, реконструированный завод представлял собой крупное предприятие автомобильной промышленности, которое специализировалось на выпуске: специальной проволоки, пружин, шайб, холоднокатаной ленты и автонормалей. Во время Второй Мировой войны завод бесперебойно снабжал фронт боеприпасами. С 1941 года по 1943 год на заводе работало 996 человек. В послевоенное время завод стал активно развиваться. В дальнейшем на заводе были реконструированы цеха и освоено новое производство, создано собственное станкостроение и автоматические линии, выстроен инженерный корпус и здание очистных сооружений. Организовано производство проката и пружин, а также стержневого крепежа. Создан важнейший отдел обеспечения качеством. На сегодняшний день ОАО "Завод Красная Этна" представляет собой современное, динамично-развивающееся предприятие, специализирующееся на производстве крепежных изделий для автомобильной промышленности. Продукция завода поставляется на крупнейшие предприятия России, стран СНГ и дальнего зарубежья. Продукция предприятия соответствует международным системам качества ИСО 9001-2000 и ISO/TS 16949:2002. Продукция завода прошла проверку аудиторами TUV CERT (Германия) и национальной системой ГОСТ Р. Номенклатура предприятия насчитывает более 2,5 тысячи видов крепёжных изделий, в том числе соответствующих стандарту DIN. Компания "АвтоАльянс" предлагает оригинальную продукцию производства ОАО "Завод Красная Этна". В ассортименте представлен широкий перечень продукции завода: винты различных конструкций, пружины, стремянки, шайбы, гайки, шпильки, заклепки, штуцеры, оси, пробки и пластины, а также всевозможный крепёж к различным автомобилям.
На складах : 1413 шт.

"Завод Красная Этна" уже более 110 лет производит крепёжные изделия и пружины для автомобильной промышленности. История завода начинается с 24 декабря 1898 года, когда по положению Комитета Министров Николай Второй разрешает Виктору Михайловичу Гольденбергу и германскому подданному Петру Ивановичу Мартини учредить "Акционерное Общество Рижского металлического завода "Этна". С 1904 года по 1915 год на Рижском металлическом заводе работали цеха: гвоздильный, горячепрокатный, цепочный, травильный, отжигательный, волочильный. Продукция завода была востребована в России, Прибалтике и за рубежом. В годы первой мировой войны завод был эвакуирован из Риги в Нижний Новгород. С этого момента для завода начинается новая история. Во время войны "Завод Красная Этна" обеспечивал своей продукцией фронт. На заводе начался выпуск минных цепей, гвоздей к солдатским сапогам, колючей проволоки, пряжек к ружьям и карабинов, а также другой продукции для нужд фронта и населения России. С 1916 года по 1918 год происходит национализация завода и смена учредителей. Завод стал именоваться, как Акционерное общество Нижегородского металлического завода "Новая Этна". С приходом советской власти на заводе сменилось название на "Красная Этна" и были запущены: электростанция, прокатный цех, цех тонкого волочения и болтозаклепочный цех. В 1925 в структуру завода вливается предприятие с парком металлорежущего оборудования. В этом же году, на базе влившегося предприятия, создаются инструментальный и механический цеха, а также лесопильно-ящичный цех. В начале 30х, организовано строительство Горьковского автомобильного завода, который оказал большое влияние на развитие и деятельность предприятия. "Красная Этна" переходит на выпуск изделий высокого класса точности и включается в обслуживание автомобильной промышленности страны. К началу Великой Отечественной войны, реконструированный завод представлял собой крупное предприятие автомобильной промышленности, которое специализировалось на выпуске: специальной проволоки, пружин, шайб, холоднокатаной ленты и автонормалей. Во время Второй Мировой войны завод бесперебойно снабжал фронт боеприпасами. С 1941 года по 1943 год на заводе работало 996 человек. В послевоенное время завод стал активно развиваться. В дальнейшем на заводе были реконструированы цеха и освоено новое производство, создано собственное станкостроение и автоматические линии, выстроен инженерный корпус и здание очистных сооружений. Организовано производство проката и пружин, а также стержневого крепежа. Создан важнейший отдел обеспечения качеством. На сегодняшний день ОАО "Завод Красная Этна" представляет собой современное, динамично-развивающееся предприятие, специализирующееся на производстве крепежных изделий для автомобильной промышленности. Продукция завода поставляется на крупнейшие предприятия России, стран СНГ и дальнего зарубежья. Продукция предприятия соответствует международным системам качества ИСО 9001-2000 и ISO/TS 16949:2002. Продукция завода прошла проверку аудиторами TUV CERT (Германия) и национальной системой ГОСТ Р. Номенклатура предприятия насчитывает более 2,5 тысячи видов крепёжных изделий, в том числе соответствующих стандарту DIN. Компания "АвтоАльянс" предлагает оригинальную продукцию производства ОАО "Завод Красная Этна". В ассортименте представлен широкий перечень продукции завода: винты различных конструкций, пружины, стремянки, шайбы, гайки, шпильки, заклепки, штуцеры, оси, пробки и пластины, а также всевозможный крепёж к различным автомобилям.

"Завод Красная Этна" уже более 110 лет производит крепёжные изделия и пружины для автомобильной промышленности. История завода начинается с 24 декабря 1898 года, когда по положению Комитета Министров Николай Второй разрешает Виктору Михайловичу Гольденбергу и германскому подданному Петру Ивановичу Мартини учредить "Акционерное Общество Рижского металлического завода "Этна". С 1904 года по 1915 год на Рижском металлическом заводе работали цеха: гвоздильный, горячепрокатный, цепочный, травильный, отжигательный, волочильный. Продукция завода была востребована в России, Прибалтике и за рубежом. В годы первой мировой войны завод был эвакуирован из Риги в Нижний Новгород. С этого момента для завода начинается новая история. Во время войны "Завод Красная Этна" обеспечивал своей продукцией фронт. На заводе начался выпуск минных цепей, гвоздей к солдатским сапогам, колючей проволоки, пряжек к ружьям и карабинов, а также другой продукции для нужд фронта и населения России. С 1916 года по 1918 год происходит национализация завода и смена учредителей. Завод стал именоваться, как Акционерное общество Нижегородского металлического завода "Новая Этна". С приходом советской власти на заводе сменилось название на "Красная Этна" и были запущены: электростанция, прокатный цех, цех тонкого волочения и болтозаклепочный цех. В 1925 в структуру завода вливается предприятие с парком металлорежущего оборудования. В этом же году, на базе влившегося предприятия, создаются инструментальный и механический цеха, а также лесопильно-ящичный цех. В начале 30х, организовано строительство Горьковского автомобильного завода, который оказал большое влияние на развитие и деятельность предприятия. "Красная Этна" переходит на выпуск изделий высокого класса точности и включается в обслуживание автомобильной промышленности страны. К началу Великой Отечественной войны, реконструированный завод представлял собой крупное предприятие автомобильной промышленности, которое специализировалось на выпуске: специальной проволоки, пружин, шайб, холоднокатаной ленты и автонормалей. Во время Второй Мировой войны завод бесперебойно снабжал фронт боеприпасами. С 1941 года по 1943 год на заводе работало 996 человек. В послевоенное время завод стал активно развиваться. В дальнейшем на заводе были реконструированы цеха и освоено новое производство, создано собственное станкостроение и автоматические линии, выстроен инженерный корпус и здание очистных сооружений. Организовано производство проката и пружин, а также стержневого крепежа. Создан важнейший отдел обеспечения качеством. На сегодняшний день ОАО "Завод Красная Этна" представляет собой современное, динамично-развивающееся предприятие, специализирующееся на производстве крепежных изделий для автомобильной промышленности. Продукция завода поставляется на крупнейшие предприятия России, стран СНГ и дальнего зарубежья. Продукция предприятия соответствует международным системам качества ИСО 9001-2000 и ISO/TS 16949:2002. Продукция завода прошла проверку аудиторами TUV CERT (Германия) и национальной системой ГОСТ Р. Номенклатура предприятия насчитывает более 2,5 тысячи видов крепёжных изделий, в том числе соответствующих стандарту DIN. Компания "АвтоАльянс" предлагает оригинальную продукцию производства ОАО "Завод Красная Этна". В ассортименте представлен широкий перечень продукции завода: винты различных конструкций, пружины, стремянки, шайбы, гайки, шпильки, заклепки, штуцеры, оси, пробки и пластины, а также всевозможный крепёж к различным автомобилям.
На складах : 981 шт.

"Завод Красная Этна" уже более 110 лет производит крепёжные изделия и пружины для автомобильной промышленности. История завода начинается с 24 декабря 1898 года, когда по положению Комитета Министров Николай Второй разрешает Виктору Михайловичу Гольденбергу и германскому подданному Петру Ивановичу Мартини учредить "Акционерное Общество Рижского металлического завода "Этна". С 1904 года по 1915 год на Рижском металлическом заводе работали цеха: гвоздильный, горячепрокатный, цепочный, травильный, отжигательный, волочильный. Продукция завода была востребована в России, Прибалтике и за рубежом. В годы первой мировой войны завод был эвакуирован из Риги в Нижний Новгород. С этого момента для завода начинается новая история. Во время войны "Завод Красная Этна" обеспечивал своей продукцией фронт. На заводе начался выпуск минных цепей, гвоздей к солдатским сапогам, колючей проволоки, пряжек к ружьям и карабинов, а также другой продукции для нужд фронта и населения России. С 1916 года по 1918 год происходит национализация завода и смена учредителей. Завод стал именоваться, как Акционерное общество Нижегородского металлического завода "Новая Этна". С приходом советской власти на заводе сменилось название на "Красная Этна" и были запущены: электростанция, прокатный цех, цех тонкого волочения и болтозаклепочный цех. В 1925 в структуру завода вливается предприятие с парком металлорежущего оборудования. В этом же году, на базе влившегося предприятия, создаются инструментальный и механический цеха, а также лесопильно-ящичный цех. В начале 30х, организовано строительство Горьковского автомобильного завода, который оказал большое влияние на развитие и деятельность предприятия. "Красная Этна" переходит на выпуск изделий высокого класса точности и включается в обслуживание автомобильной промышленности страны. К началу Великой Отечественной войны, реконструированный завод представлял собой крупное предприятие автомобильной промышленности, которое специализировалось на выпуске: специальной проволоки, пружин, шайб, холоднокатаной ленты и автонормалей. Во время Второй Мировой войны завод бесперебойно снабжал фронт боеприпасами. С 1941 года по 1943 год на заводе работало 996 человек. В послевоенное время завод стал активно развиваться. В дальнейшем на заводе были реконструированы цеха и освоено новое производство, создано собственное станкостроение и автоматические линии, выстроен инженерный корпус и здание очистных сооружений. Организовано производство проката и пружин, а также стержневого крепежа. Создан важнейший отдел обеспечения качеством. На сегодняшний день ОАО "Завод Красная Этна" представляет собой современное, динамично-развивающееся предприятие, специализирующееся на производстве крепежных изделий для автомобильной промышленности. Продукция завода поставляется на крупнейшие предприятия России, стран СНГ и дальнего зарубежья. Продукция предприятия соответствует международным системам качества ИСО 9001-2000 и ISO/TS 16949:2002. Продукция завода прошла проверку аудиторами TUV CERT (Германия) и национальной системой ГОСТ Р. Номенклатура предприятия насчитывает более 2,5 тысячи видов крепёжных изделий, в том числе соответствующих стандарту DIN. Компания "АвтоАльянс" предлагает оригинальную продукцию производства ОАО "Завод Красная Этна". В ассортименте представлен широкий перечень продукции завода: винты различных конструкций, пружины, стремянки, шайбы, гайки, шпильки, заклепки, штуцеры, оси, пробки и пластины, а также всевозможный крепёж к различным автомобилям.

"Завод Красная Этна" уже более 110 лет производит крепёжные изделия и пружины для автомобильной промышленности. История завода начинается с 24 декабря 1898 года, когда по положению Комитета Министров Николай Второй разрешает Виктору Михайловичу Гольденбергу и германскому подданному Петру Ивановичу Мартини учредить "Акционерное Общество Рижского металлического завода "Этна". С 1904 года по 1915 год на Рижском металлическом заводе работали цеха: гвоздильный, горячепрокатный, цепочный, травильный, отжигательный, волочильный. Продукция завода была востребована в России, Прибалтике и за рубежом. В годы первой мировой войны завод был эвакуирован из Риги в Нижний Новгород. С этого момента для завода начинается новая история. Во время войны "Завод Красная Этна" обеспечивал своей продукцией фронт. На заводе начался выпуск минных цепей, гвоздей к солдатским сапогам, колючей проволоки, пряжек к ружьям и карабинов, а также другой продукции для нужд фронта и населения России. С 1916 года по 1918 год происходит национализация завода и смена учредителей. Завод стал именоваться, как Акционерное общество Нижегородского металлического завода "Новая Этна". С приходом советской власти на заводе сменилось название на "Красная Этна" и были запущены: электростанция, прокатный цех, цех тонкого волочения и болтозаклепочный цех. В 1925 в структуру завода вливается предприятие с парком металлорежущего оборудования. В этом же году, на базе влившегося предприятия, создаются инструментальный и механический цеха, а также лесопильно-ящичный цех. В начале 30х, организовано строительство Горьковского автомобильного завода, который оказал большое влияние на развитие и деятельность предприятия. "Красная Этна" переходит на выпуск изделий высокого класса точности и включается в обслуживание автомобильной промышленности страны. К началу Великой Отечественной войны, реконструированный завод представлял собой крупное предприятие автомобильной промышленности, которое специализировалось на выпуске: специальной проволоки, пружин, шайб, холоднокатаной ленты и автонормалей. Во время Второй Мировой войны завод бесперебойно снабжал фронт боеприпасами. С 1941 года по 1943 год на заводе работало 996 человек. В послевоенное время завод стал активно развиваться. В дальнейшем на заводе были реконструированы цеха и освоено новое производство, создано собственное станкостроение и автоматические линии, выстроен инженерный корпус и здание очистных сооружений. Организовано производство проката и пружин, а также стержневого крепежа. Создан важнейший отдел обеспечения качеством. На сегодняшний день ОАО "Завод Красная Этна" представляет собой современное, динамично-развивающееся предприятие, специализирующееся на производстве крепежных изделий для автомобильной промышленности. Продукция завода поставляется на крупнейшие предприятия России, стран СНГ и дальнего зарубежья. Продукция предприятия соответствует международным системам качества ИСО 9001-2000 и ISO/TS 16949:2002. Продукция завода прошла проверку аудиторами TUV CERT (Германия) и национальной системой ГОСТ Р. Номенклатура предприятия насчитывает более 2,5 тысячи видов крепёжных изделий, в том числе соответствующих стандарту DIN. Компания "АвтоАльянс" предлагает оригинальную продукцию производства ОАО "Завод Красная Этна". В ассортименте представлен широкий перечень продукции завода: винты различных конструкций, пружины, стремянки, шайбы, гайки, шпильки, заклепки, штуцеры, оси, пробки и пластины, а также всевозможный крепёж к различным автомобилям.
На складах : 277 шт.

"Завод Красная Этна" уже более 110 лет производит крепёжные изделия и пружины для автомобильной промышленности. История завода начинается с 24 декабря 1898 года, когда по положению Комитета Министров Николай Второй разрешает Виктору Михайловичу Гольденбергу и германскому подданному Петру Ивановичу Мартини учредить "Акционерное Общество Рижского металлического завода "Этна". С 1904 года по 1915 год на Рижском металлическом заводе работали цеха: гвоздильный, горячепрокатный, цепочный, травильный, отжигательный, волочильный. Продукция завода была востребована в России, Прибалтике и за рубежом. В годы первой мировой войны завод был эвакуирован из Риги в Нижний Новгород. С этого момента для завода начинается новая история. Во время войны "Завод Красная Этна" обеспечивал своей продукцией фронт. На заводе начался выпуск минных цепей, гвоздей к солдатским сапогам, колючей проволоки, пряжек к ружьям и карабинов, а также другой продукции для нужд фронта и населения России. С 1916 года по 1918 год происходит национализация завода и смена учредителей. Завод стал именоваться, как Акционерное общество Нижегородского металлического завода "Новая Этна". С приходом советской власти на заводе сменилось название на "Красная Этна" и были запущены: электростанция, прокатный цех, цех тонкого волочения и болтозаклепочный цех. В 1925 в структуру завода вливается предприятие с парком металлорежущего оборудования. В этом же году, на базе влившегося предприятия, создаются инструментальный и механический цеха, а также лесопильно-ящичный цех. В начале 30х, организовано строительство Горьковского автомобильного завода, который оказал большое влияние на развитие и деятельность предприятия. "Красная Этна" переходит на выпуск изделий высокого класса точности и включается в обслуживание автомобильной промышленности страны. К началу Великой Отечественной войны, реконструированный завод представлял собой крупное предприятие автомобильной промышленности, которое специализировалось на выпуске: специальной проволоки, пружин, шайб, холоднокатаной ленты и автонормалей. Во время Второй Мировой войны завод бесперебойно снабжал фронт боеприпасами. С 1941 года по 1943 год на заводе работало 996 человек. В послевоенное время завод стал активно развиваться. В дальнейшем на заводе были реконструированы цеха и освоено новое производство, создано собственное станкостроение и автоматические линии, выстроен инженерный корпус и здание очистных сооружений. Организовано производство проката и пружин, а также стержневого крепежа. Создан важнейший отдел обеспечения качеством. На сегодняшний день ОАО "Завод Красная Этна" представляет собой современное, динамично-развивающееся предприятие, специализирующееся на производстве крепежных изделий для автомобильной промышленности. Продукция завода поставляется на крупнейшие предприятия России, стран СНГ и дальнего зарубежья. Продукция предприятия соответствует международным системам качества ИСО 9001-2000 и ISO/TS 16949:2002. Продукция завода прошла проверку аудиторами TUV CERT (Германия) и национальной системой ГОСТ Р. Номенклатура предприятия насчитывает более 2,5 тысячи видов крепёжных изделий, в том числе соответствующих стандарту DIN. Компания "АвтоАльянс" предлагает оригинальную продукцию производства ОАО "Завод Красная Этна". В ассортименте представлен широкий перечень продукции завода: винты различных конструкций, пружины, стремянки, шайбы, гайки, шпильки, заклепки, штуцеры, оси, пробки и пластины, а также всевозможный крепёж к различным автомобилям.
На складах : 1743 шт.
На складах : 781 шт.

УАЗ (Ульяновский автомобильный завод) - российский бренд, производящий внедорожники общего назначения и коммерческие автомобили. Компания была основана в 1941 году и с тех пор стала одним из крупнейших автопроизводителей в России. УАЗ известен своими прочными и надежными автомобилями, которые предназначены для работы на пересеченной местности и в суровых погодных условиях.
Одним из самых культовых автомобилей УАЗ является УАЗ-469, который был представлен в 1971 году и стал стандартной военной машиной для Советского Союза и его союзников. УАЗ-469 получил высокую оценку за его долговечность, внедорожные возможности и простоту обслуживания, и он остается популярным автомобилем в России и других странах.
Сегодня УАЗ производит целый ряд транспортных средств, которые используются как в гражданских, так и в коммерческих целях. Его модельный ряд включает внедорожники Patriot, Hunter и Pickup, а также коммерческие автомобили Profi и Cargo. Эти транспортные средства предназначены для работы в сложных условиях и на пересеченной местности, что делает их популярными среди фермеров, охотников и любителей бездорожья.
Бренд UAZ известен своей прочностью, надежностью и утилитарным дизайном. Его транспортные средства хорошо подходят для тех, кому необходимо ориентироваться на сложной местности или работать в суровых условиях.

УАЗ (Ульяновский автомобильный завод) - российский бренд, производящий внедорожники общего назначения и коммерческие автомобили. Компания была основана в 1941 году и с тех пор стала одним из крупнейших автопроизводителей в России. УАЗ известен своими прочными и надежными автомобилями, которые предназначены для работы на пересеченной местности и в суровых погодных условиях.
Одним из самых культовых автомобилей УАЗ является УАЗ-469, который был представлен в 1971 году и стал стандартной военной машиной для Советского Союза и его союзников. УАЗ-469 получил высокую оценку за его долговечность, внедорожные возможности и простоту обслуживания, и он остается популярным автомобилем в России и других странах.
Сегодня УАЗ производит целый ряд транспортных средств, которые используются как в гражданских, так и в коммерческих целях. Его модельный ряд включает внедорожники Patriot, Hunter и Pickup, а также коммерческие автомобили Profi и Cargo. Эти транспортные средства предназначены для работы в сложных условиях и на пересеченной местности, что делает их популярными среди фермеров, охотников и любителей бездорожья.
Бренд UAZ известен своей прочностью, надежностью и утилитарным дизайном. Его транспортные средства хорошо подходят для тех, кому необходимо ориентироваться на сложной местности или работать в суровых условиях.
На складах : 16 шт.
На складах : 49 шт.
На складах : 45 шт.
На складах : 332 шт.

ОАО «Заволжский моторный завод» входит в компанию ОАО «СОЛЛЕРС». Дата образования ЗМЗ – 17 апреля 1958 года. Содружество компаний "АвтоАльянс" в лице компании "Мега-Арсенал" является официальным дилером "Торговый дом СОЛЛЕРС" и предлагает к продаже оригинальные запчасти и агрегаты ЗМЗ. Основное назначение завода: Производство двигателей внутреннего сгорания рабочим объемом от 2, 2 л до 4,67 л. Предприятие выпускает свыше 80 модификаций двигателей для автомобилей и автобусов трех автомобильных компаний России – ОАО «УАЗ», ОАО «ГАЗ», ОАО «Павловский автобус». ОАО «ЗМЗ» также производит запасные части к выпускаемым двигателям. География поставок продукции ОАО "ЗМЗ" - Россия, Германия, страны СНГ, Юго-Восточной Азии и Латинской Америки. За свою историю Заволжский моторный завод выпустил более 14 000 000 двигателей всех модификаций. C января 2008 года на ЗМЗ ведется массовое промышленное производство соответствующих требованиям экологического класса «Евро-3» 4-цилиндровых бензиновых двигателей семейства ЗМЗ-406 рабочим объемом 2,5 и 2,7 л для малотоннажных коммерческих автомобилей и микроавтобусов ОАО «ГАЗ» и автомобилей повышенной проходимости ОАО «УАЗ», дизельных ЗМЗ-5143 рабочим объемом 2,2 л для внедорожников «UAZ-Hunter» Ульяновского автозавода и бензиновых 8-цилиндровых V-образных двигателей для грузовых автомобилей средней грузоподъемности ОАО «ГАЗ» и автобусов типа ПАЗ-3207 производства ОАО «Павловский автобус». С ноября 2005 г, на предприятии ведется промышленный выпуск малолитражного дизельного двигателя ЗМЗ-5143 (2,2л) для автомобилей «UAZ-Hunter» ОАО «УАЗ» и реализации на вторичном рынке по заказам сторонних организаций. В 2009 г. ОАО «ЗМЗ» совместно с УАЗом и Минобороны проведены типовые испытания военной модификации автомобиля «Hunter» c дизельным двигателем ЗМЗ -5143. Дизельный двигатель ЗМЗ-5143 принят на комплектацию военных внедорожников. Поставки дизелей ЗМЗ для Минобороны начаты в 2009 году. За период с начала производства и с учетом итогов 2009 года ОАО «ЗМЗ» поставило своим потребителям более 12 600 дизельных двигателей ЗМЗ-5143. В 2009 года ОАО «ЗМЗ» выдан новый Аттестат аккредитации испытательного Центра «Мотор», входящего в структуру управления главного конструктора предприятия, на техническую компетентность в системе сертификации ГОСТ Р и международного стандарта ИСО сроком действия до 2014 года. Данный документ дает право центру «Мотор» проводить сертификационные испытания продукции автомобилестроения, в частности, бензиновых и дизельных двигателей, узлов и комплектующих к ним, причем как отечественных, так и зарубежных автопроизводителей. Система менеджмента ОАО «ЗМЗ» сертифицирована «TUV –CERT» (Германия) и «Русским Регистром» (Россия) на соответствие требованиям международных стандартов ISO 9001 (2000) и стандарта ГОСТ Р ИСО 9001-2008. В 2009 г. ОАО «ЗМЗ» с положительным результатом прошло основной сертификационный аудит системы менеджмента организации (СМО) на соответствие требованиям международного автомобильного стандарта ISO/TS 16 949 версии 2009 года. В 2009 году на ЗМЗ были продолжены НИОКР по дизельным двигателям ЗМЗ-51432 с системой топливоподачи Common Rail (CR) с целью выполнения ими в составе автомобилей ОАО «УАЗ» экологических норм «Евро-3» и «Евро-4». Велась разработка битопливного двигателя для применения в составе автомобилей УАЗ и автомобилей класса LCV. Продолжены работы с компанией «FIAT—AUTO» по адаптации двигателя ЗМЗ рабочим объемом 2,5 л в автомобиль «Fiat Ducato». В рамках госконтракта разработана конструкторская документация, изготовлены два оригинальных образца спецдвигателей - бензиновый вариант (2.5 л) и дизельный (2,24 л) для комбинированных энергетических установок автобусов типа «ЛиАЗ» и «ПАЗ». ОАО «ЗМЗ» с 2003 года планомерно ведет работу по созданию собственной производственной системы на основе внедрения элементов Toyota Production System (TPS), направленной на совершенствование организации производства, улучшения качества и снижения затрат.
На складах : 36 шт.

ОАО «Заволжский моторный завод» входит в компанию ОАО «СОЛЛЕРС». Дата образования ЗМЗ – 17 апреля 1958 года. Содружество компаний "АвтоАльянс" в лице компании "Мега-Арсенал" является официальным дилером "Торговый дом СОЛЛЕРС" и предлагает к продаже оригинальные запчасти и агрегаты ЗМЗ. Основное назначение завода: Производство двигателей внутреннего сгорания рабочим объемом от 2, 2 л до 4,67 л. Предприятие выпускает свыше 80 модификаций двигателей для автомобилей и автобусов трех автомобильных компаний России – ОАО «УАЗ», ОАО «ГАЗ», ОАО «Павловский автобус». ОАО «ЗМЗ» также производит запасные части к выпускаемым двигателям. География поставок продукции ОАО "ЗМЗ" - Россия, Германия, страны СНГ, Юго-Восточной Азии и Латинской Америки. За свою историю Заволжский моторный завод выпустил более 14 000 000 двигателей всех модификаций. C января 2008 года на ЗМЗ ведется массовое промышленное производство соответствующих требованиям экологического класса «Евро-3» 4-цилиндровых бензиновых двигателей семейства ЗМЗ-406 рабочим объемом 2,5 и 2,7 л для малотоннажных коммерческих автомобилей и микроавтобусов ОАО «ГАЗ» и автомобилей повышенной проходимости ОАО «УАЗ», дизельных ЗМЗ-5143 рабочим объемом 2,2 л для внедорожников «UAZ-Hunter» Ульяновского автозавода и бензиновых 8-цилиндровых V-образных двигателей для грузовых автомобилей средней грузоподъемности ОАО «ГАЗ» и автобусов типа ПАЗ-3207 производства ОАО «Павловский автобус». С ноября 2005 г, на предприятии ведется промышленный выпуск малолитражного дизельного двигателя ЗМЗ-5143 (2,2л) для автомобилей «UAZ-Hunter» ОАО «УАЗ» и реализации на вторичном рынке по заказам сторонних организаций. В 2009 г. ОАО «ЗМЗ» совместно с УАЗом и Минобороны проведены типовые испытания военной модификации автомобиля «Hunter» c дизельным двигателем ЗМЗ -5143. Дизельный двигатель ЗМЗ-5143 принят на комплектацию военных внедорожников. Поставки дизелей ЗМЗ для Минобороны начаты в 2009 году. За период с начала производства и с учетом итогов 2009 года ОАО «ЗМЗ» поставило своим потребителям более 12 600 дизельных двигателей ЗМЗ-5143. В 2009 года ОАО «ЗМЗ» выдан новый Аттестат аккредитации испытательного Центра «Мотор», входящего в структуру управления главного конструктора предприятия, на техническую компетентность в системе сертификации ГОСТ Р и международного стандарта ИСО сроком действия до 2014 года. Данный документ дает право центру «Мотор» проводить сертификационные испытания продукции автомобилестроения, в частности, бензиновых и дизельных двигателей, узлов и комплектующих к ним, причем как отечественных, так и зарубежных автопроизводителей. Система менеджмента ОАО «ЗМЗ» сертифицирована «TUV –CERT» (Германия) и «Русским Регистром» (Россия) на соответствие требованиям международных стандартов ISO 9001 (2000) и стандарта ГОСТ Р ИСО 9001-2008. В 2009 г. ОАО «ЗМЗ» с положительным результатом прошло основной сертификационный аудит системы менеджмента организации (СМО) на соответствие требованиям международного автомобильного стандарта ISO/TS 16 949 версии 2009 года. В 2009 году на ЗМЗ были продолжены НИОКР по дизельным двигателям ЗМЗ-51432 с системой топливоподачи Common Rail (CR) с целью выполнения ими в составе автомобилей ОАО «УАЗ» экологических норм «Евро-3» и «Евро-4». Велась разработка битопливного двигателя для применения в составе автомобилей УАЗ и автомобилей класса LCV. Продолжены работы с компанией «FIAT—AUTO» по адаптации двигателя ЗМЗ рабочим объемом 2,5 л в автомобиль «Fiat Ducato». В рамках госконтракта разработана конструкторская документация, изготовлены два оригинальных образца спецдвигателей - бензиновый вариант (2.5 л) и дизельный (2,24 л) для комбинированных энергетических установок автобусов типа «ЛиАЗ» и «ПАЗ». ОАО «ЗМЗ» с 2003 года планомерно ведет работу по созданию собственной производственной системы на основе внедрения элементов Toyota Production System (TPS), направленной на совершенствование организации производства, улучшения качества и снижения затрат.

ОАО «Заволжский моторный завод» входит в компанию ОАО «СОЛЛЕРС». Дата образования ЗМЗ – 17 апреля 1958 года. Содружество компаний "АвтоАльянс" в лице компании "Мега-Арсенал" является официальным дилером "Торговый дом СОЛЛЕРС" и предлагает к продаже оригинальные запчасти и агрегаты ЗМЗ. Основное назначение завода: Производство двигателей внутреннего сгорания рабочим объемом от 2, 2 л до 4,67 л. Предприятие выпускает свыше 80 модификаций двигателей для автомобилей и автобусов трех автомобильных компаний России – ОАО «УАЗ», ОАО «ГАЗ», ОАО «Павловский автобус». ОАО «ЗМЗ» также производит запасные части к выпускаемым двигателям. География поставок продукции ОАО "ЗМЗ" - Россия, Германия, страны СНГ, Юго-Восточной Азии и Латинской Америки. За свою историю Заволжский моторный завод выпустил более 14 000 000 двигателей всех модификаций. C января 2008 года на ЗМЗ ведется массовое промышленное производство соответствующих требованиям экологического класса «Евро-3» 4-цилиндровых бензиновых двигателей семейства ЗМЗ-406 рабочим объемом 2,5 и 2,7 л для малотоннажных коммерческих автомобилей и микроавтобусов ОАО «ГАЗ» и автомобилей повышенной проходимости ОАО «УАЗ», дизельных ЗМЗ-5143 рабочим объемом 2,2 л для внедорожников «UAZ-Hunter» Ульяновского автозавода и бензиновых 8-цилиндровых V-образных двигателей для грузовых автомобилей средней грузоподъемности ОАО «ГАЗ» и автобусов типа ПАЗ-3207 производства ОАО «Павловский автобус». С ноября 2005 г, на предприятии ведется промышленный выпуск малолитражного дизельного двигателя ЗМЗ-5143 (2,2л) для автомобилей «UAZ-Hunter» ОАО «УАЗ» и реализации на вторичном рынке по заказам сторонних организаций. В 2009 г. ОАО «ЗМЗ» совместно с УАЗом и Минобороны проведены типовые испытания военной модификации автомобиля «Hunter» c дизельным двигателем ЗМЗ -5143. Дизельный двигатель ЗМЗ-5143 принят на комплектацию военных внедорожников. Поставки дизелей ЗМЗ для Минобороны начаты в 2009 году. За период с начала производства и с учетом итогов 2009 года ОАО «ЗМЗ» поставило своим потребителям более 12 600 дизельных двигателей ЗМЗ-5143. В 2009 года ОАО «ЗМЗ» выдан новый Аттестат аккредитации испытательного Центра «Мотор», входящего в структуру управления главного конструктора предприятия, на техническую компетентность в системе сертификации ГОСТ Р и международного стандарта ИСО сроком действия до 2014 года. Данный документ дает право центру «Мотор» проводить сертификационные испытания продукции автомобилестроения, в частности, бензиновых и дизельных двигателей, узлов и комплектующих к ним, причем как отечественных, так и зарубежных автопроизводителей. Система менеджмента ОАО «ЗМЗ» сертифицирована «TUV –CERT» (Германия) и «Русским Регистром» (Россия) на соответствие требованиям международных стандартов ISO 9001 (2000) и стандарта ГОСТ Р ИСО 9001-2008. В 2009 г. ОАО «ЗМЗ» с положительным результатом прошло основной сертификационный аудит системы менеджмента организации (СМО) на соответствие требованиям международного автомобильного стандарта ISO/TS 16 949 версии 2009 года. В 2009 году на ЗМЗ были продолжены НИОКР по дизельным двигателям ЗМЗ-51432 с системой топливоподачи Common Rail (CR) с целью выполнения ими в составе автомобилей ОАО «УАЗ» экологических норм «Евро-3» и «Евро-4». Велась разработка битопливного двигателя для применения в составе автомобилей УАЗ и автомобилей класса LCV. Продолжены работы с компанией «FIAT—AUTO» по адаптации двигателя ЗМЗ рабочим объемом 2,5 л в автомобиль «Fiat Ducato». В рамках госконтракта разработана конструкторская документация, изготовлены два оригинальных образца спецдвигателей - бензиновый вариант (2.5 л) и дизельный (2,24 л) для комбинированных энергетических установок автобусов типа «ЛиАЗ» и «ПАЗ». ОАО «ЗМЗ» с 2003 года планомерно ведет работу по созданию собственной производственной системы на основе внедрения элементов Toyota Production System (TPS), направленной на совершенствование организации производства, улучшения качества и снижения затрат.
На складах : 97 шт.

ОАО «Заволжский моторный завод» входит в компанию ОАО «СОЛЛЕРС». Дата образования ЗМЗ – 17 апреля 1958 года. Содружество компаний "АвтоАльянс" в лице компании "Мега-Арсенал" является официальным дилером "Торговый дом СОЛЛЕРС" и предлагает к продаже оригинальные запчасти и агрегаты ЗМЗ. Основное назначение завода: Производство двигателей внутреннего сгорания рабочим объемом от 2, 2 л до 4,67 л. Предприятие выпускает свыше 80 модификаций двигателей для автомобилей и автобусов трех автомобильных компаний России – ОАО «УАЗ», ОАО «ГАЗ», ОАО «Павловский автобус». ОАО «ЗМЗ» также производит запасные части к выпускаемым двигателям. География поставок продукции ОАО "ЗМЗ" - Россия, Германия, страны СНГ, Юго-Восточной Азии и Латинской Америки. За свою историю Заволжский моторный завод выпустил более 14 000 000 двигателей всех модификаций. C января 2008 года на ЗМЗ ведется массовое промышленное производство соответствующих требованиям экологического класса «Евро-3» 4-цилиндровых бензиновых двигателей семейства ЗМЗ-406 рабочим объемом 2,5 и 2,7 л для малотоннажных коммерческих автомобилей и микроавтобусов ОАО «ГАЗ» и автомобилей повышенной проходимости ОАО «УАЗ», дизельных ЗМЗ-5143 рабочим объемом 2,2 л для внедорожников «UAZ-Hunter» Ульяновского автозавода и бензиновых 8-цилиндровых V-образных двигателей для грузовых автомобилей средней грузоподъемности ОАО «ГАЗ» и автобусов типа ПАЗ-3207 производства ОАО «Павловский автобус». С ноября 2005 г, на предприятии ведется промышленный выпуск малолитражного дизельного двигателя ЗМЗ-5143 (2,2л) для автомобилей «UAZ-Hunter» ОАО «УАЗ» и реализации на вторичном рынке по заказам сторонних организаций. В 2009 г. ОАО «ЗМЗ» совместно с УАЗом и Минобороны проведены типовые испытания военной модификации автомобиля «Hunter» c дизельным двигателем ЗМЗ -5143. Дизельный двигатель ЗМЗ-5143 принят на комплектацию военных внедорожников. Поставки дизелей ЗМЗ для Минобороны начаты в 2009 году. За период с начала производства и с учетом итогов 2009 года ОАО «ЗМЗ» поставило своим потребителям более 12 600 дизельных двигателей ЗМЗ-5143. В 2009 года ОАО «ЗМЗ» выдан новый Аттестат аккредитации испытательного Центра «Мотор», входящего в структуру управления главного конструктора предприятия, на техническую компетентность в системе сертификации ГОСТ Р и международного стандарта ИСО сроком действия до 2014 года. Данный документ дает право центру «Мотор» проводить сертификационные испытания продукции автомобилестроения, в частности, бензиновых и дизельных двигателей, узлов и комплектующих к ним, причем как отечественных, так и зарубежных автопроизводителей. Система менеджмента ОАО «ЗМЗ» сертифицирована «TUV –CERT» (Германия) и «Русским Регистром» (Россия) на соответствие требованиям международных стандартов ISO 9001 (2000) и стандарта ГОСТ Р ИСО 9001-2008. В 2009 г. ОАО «ЗМЗ» с положительным результатом прошло основной сертификационный аудит системы менеджмента организации (СМО) на соответствие требованиям международного автомобильного стандарта ISO/TS 16 949 версии 2009 года. В 2009 году на ЗМЗ были продолжены НИОКР по дизельным двигателям ЗМЗ-51432 с системой топливоподачи Common Rail (CR) с целью выполнения ими в составе автомобилей ОАО «УАЗ» экологических норм «Евро-3» и «Евро-4». Велась разработка битопливного двигателя для применения в составе автомобилей УАЗ и автомобилей класса LCV. Продолжены работы с компанией «FIAT—AUTO» по адаптации двигателя ЗМЗ рабочим объемом 2,5 л в автомобиль «Fiat Ducato». В рамках госконтракта разработана конструкторская документация, изготовлены два оригинальных образца спецдвигателей - бензиновый вариант (2.5 л) и дизельный (2,24 л) для комбинированных энергетических установок автобусов типа «ЛиАЗ» и «ПАЗ». ОАО «ЗМЗ» с 2003 года планомерно ведет работу по созданию собственной производственной системы на основе внедрения элементов Toyota Production System (TPS), направленной на совершенствование организации производства, улучшения качества и снижения затрат.
На складах : 13 шт.
На складах : 838 шт.
На складах : 333 шт.
На складах : 25 шт.
На складах : 18 шт.

Компания "Русский Двигатель" была основана в 2005 году в Ярославле и почти сразу завоевала доверие со стороны производителей двигателей. Предприятие имеет собственное производство и выпускает более 300 видов прокладок и 150 видов ремкомплектов на обширном станочном парке. Для создания прокладок «Русский двигатель» использует паронит заводского изготовления, а так же занимается индивидуальной разработкой штампов и запуском новых товаров. Компания является поставщиком паронитовых прокладок на конвейеры Ярославского Моторного Завода (Автодизель), ЯрДизель Аппаратуры, ОАО "Карачаевский механический завод", Ногинского завода топливной аппаратуры, Тутаевского Моторного Завода, Ярославского Завода Топливной Аппаратуры.
На складах : 18 шт.

Компания "Русский Двигатель" была основана в 2005 году в Ярославле и почти сразу завоевала доверие со стороны производителей двигателей. Предприятие имеет собственное производство и выпускает более 300 видов прокладок и 150 видов ремкомплектов на обширном станочном парке. Для создания прокладок «Русский двигатель» использует паронит заводского изготовления, а так же занимается индивидуальной разработкой штампов и запуском новых товаров. Компания является поставщиком паронитовых прокладок на конвейеры Ярославского Моторного Завода (Автодизель), ЯрДизель Аппаратуры, ОАО "Карачаевский механический завод", Ногинского завода топливной аппаратуры, Тутаевского Моторного Завода, Ярославского Завода Топливной Аппаратуры.

Компания "Русский Двигатель" была основана в 2005 году в Ярославле и почти сразу завоевала доверие со стороны производителей двигателей. Предприятие имеет собственное производство и выпускает более 300 видов прокладок и 150 видов ремкомплектов на обширном станочном парке. Для создания прокладок «Русский двигатель» использует паронит заводского изготовления, а так же занимается индивидуальной разработкой штампов и запуском новых товаров. Компания является поставщиком паронитовых прокладок на конвейеры Ярославского Моторного Завода (Автодизель), ЯрДизель Аппаратуры, ОАО "Карачаевский механический завод", Ногинского завода топливной аппаратуры, Тутаевского Моторного Завода, Ярославского Завода Топливной Аппаратуры.

Компания "Русский Двигатель" была основана в 2005 году в Ярославле и почти сразу завоевала доверие со стороны производителей двигателей. Предприятие имеет собственное производство и выпускает более 300 видов прокладок и 150 видов ремкомплектов на обширном станочном парке. Для создания прокладок «Русский двигатель» использует паронит заводского изготовления, а так же занимается индивидуальной разработкой штампов и запуском новых товаров. Компания является поставщиком паронитовых прокладок на конвейеры Ярославского Моторного Завода (Автодизель), ЯрДизель Аппаратуры, ОАО "Карачаевский механический завод", Ногинского завода топливной аппаратуры, Тутаевского Моторного Завода, Ярославского Завода Топливной Аппаратуры.

Компания "Русский Двигатель" была основана в 2005 году в Ярославле и почти сразу завоевала доверие со стороны производителей двигателей. Предприятие имеет собственное производство и выпускает более 300 видов прокладок и 150 видов ремкомплектов на обширном станочном парке. Для создания прокладок «Русский двигатель» использует паронит заводского изготовления, а так же занимается индивидуальной разработкой штампов и запуском новых товаров. Компания является поставщиком паронитовых прокладок на конвейеры Ярославского Моторного Завода (Автодизель), ЯрДизель Аппаратуры, ОАО "Карачаевский механический завод", Ногинского завода топливной аппаратуры, Тутаевского Моторного Завода, Ярославского Завода Топливной Аппаратуры.
На складах : 16 шт.

Компания "Русский Двигатель" была основана в 2005 году в Ярославле и почти сразу завоевала доверие со стороны производителей двигателей. Предприятие имеет собственное производство и выпускает более 300 видов прокладок и 150 видов ремкомплектов на обширном станочном парке. Для создания прокладок «Русский двигатель» использует паронит заводского изготовления, а так же занимается индивидуальной разработкой штампов и запуском новых товаров. Компания является поставщиком паронитовых прокладок на конвейеры Ярославского Моторного Завода (Автодизель), ЯрДизель Аппаратуры, ОАО "Карачаевский механический завод", Ногинского завода топливной аппаратуры, Тутаевского Моторного Завода, Ярославского Завода Топливной Аппаратуры.

Компания "Русский Двигатель" была основана в 2005 году в Ярославле и почти сразу завоевала доверие со стороны производителей двигателей. Предприятие имеет собственное производство и выпускает более 300 видов прокладок и 150 видов ремкомплектов на обширном станочном парке. Для создания прокладок «Русский двигатель» использует паронит заводского изготовления, а так же занимается индивидуальной разработкой штампов и запуском новых товаров. Компания является поставщиком паронитовых прокладок на конвейеры Ярославского Моторного Завода (Автодизель), ЯрДизель Аппаратуры, ОАО "Карачаевский механический завод", Ногинского завода топливной аппаратуры, Тутаевского Моторного Завода, Ярославского Завода Топливной Аппаратуры.
На складах : 63 шт.

Компания "Русский Двигатель" была основана в 2005 году в Ярославле и почти сразу завоевала доверие со стороны производителей двигателей. Предприятие имеет собственное производство и выпускает более 300 видов прокладок и 150 видов ремкомплектов на обширном станочном парке. Для создания прокладок «Русский двигатель» использует паронит заводского изготовления, а так же занимается индивидуальной разработкой штампов и запуском новых товаров. Компания является поставщиком паронитовых прокладок на конвейеры Ярославского Моторного Завода (Автодизель), ЯрДизель Аппаратуры, ОАО "Карачаевский механический завод", Ногинского завода топливной аппаратуры, Тутаевского Моторного Завода, Ярославского Завода Топливной Аппаратуры.

ПАО "Автодизель" (Ярославский моторный завод) - одно из старейших предприятий российского автомобилестроения. В 1920 - 50-е годы был освоен выпуск первых в стране 3-12-тонных автомобилей, самосвалов, троллейбусов, автобусов, автомобильных дизельных двигателей.
С 1958 г. Ярославский моторный завод специализируется на разработке и производстве дизельных силовых агрегатов многоцелевого назначения и является признанным лидером отечественного двигателестроения.
На сегодняшний день Ярославский моторный завод (ПАО «Автодизель») является крупнейшим российским предприятием, специализирующимся на производстве дизельных двигателей многоцелевого назначения, сцеплений, коробок передач, запасных частей к ним, а также стационарных агрегатов на базе дизелей ЯМЗ.
Ярославские двигатели нашли применение более чем на 300 видах изделий производства ведущих предприятий России, Белоруссии, Украины. Они устанавливаются на автомобили, магистральные автопоезда, карьерные самосвалы, аэродромные тягачи, зерно-уборочные комбайны, лесовозы, экскаваторы, автобусы, а также на дизель-электрические станции и агрегаты.
Основные потребители: ОАО «МАЗ», ОАО «Автомобильный завод «Урал», ООО «ЛиАЗ», ХК «АвтоКрАЗ», РУПП «БелАЗ», ОАО «Электроагрегат» (Курск) и другие. Широкое применение двигатели ЯМЗ находят на специализированной технике Министерства обороны РФ.
"АвтоАльянс" является официальным дилером ПАО «Автодизель» (ЯМЗ) уже много лет и обеспечивает потребителей полным перечнем продукции завода. От запчастей до двигателей в сборе.
Борьба с контрафактом
ПАО "Автодизель" (Ярославский моторный завод) тщательно следит за высоким качеством продукции, а так же проводит комплекс активных мероприятий для борьбы с контрафактными предложениями на рынке. Для противодействия распространению контрафакта на официальном сайте завода создан раздел ЯМЗ/ЯЗДА. Защита от контрафакта, в котором размещена информация о конкурентных преимуществах оригинальной продукции, о рисках и угрозах использования альтернативной продукции ненадлежащего качества, а также доступна опция проверки оригинальности продукции ЯМЗ.
На складах : 1500 шт.

ПАО "Автодизель" (Ярославский моторный завод) - одно из старейших предприятий российского автомобилестроения. В 1920 - 50-е годы был освоен выпуск первых в стране 3-12-тонных автомобилей, самосвалов, троллейбусов, автобусов, автомобильных дизельных двигателей.
С 1958 г. Ярославский моторный завод специализируется на разработке и производстве дизельных силовых агрегатов многоцелевого назначения и является признанным лидером отечественного двигателестроения.
На сегодняшний день Ярославский моторный завод (ПАО «Автодизель») является крупнейшим российским предприятием, специализирующимся на производстве дизельных двигателей многоцелевого назначения, сцеплений, коробок передач, запасных частей к ним, а также стационарных агрегатов на базе дизелей ЯМЗ.
Ярославские двигатели нашли применение более чем на 300 видах изделий производства ведущих предприятий России, Белоруссии, Украины. Они устанавливаются на автомобили, магистральные автопоезда, карьерные самосвалы, аэродромные тягачи, зерно-уборочные комбайны, лесовозы, экскаваторы, автобусы, а также на дизель-электрические станции и агрегаты.
Основные потребители: ОАО «МАЗ», ОАО «Автомобильный завод «Урал», ООО «ЛиАЗ», ХК «АвтоКрАЗ», РУПП «БелАЗ», ОАО «Электроагрегат» (Курск) и другие. Широкое применение двигатели ЯМЗ находят на специализированной технике Министерства обороны РФ.
"АвтоАльянс" является официальным дилером ПАО «Автодизель» (ЯМЗ) уже много лет и обеспечивает потребителей полным перечнем продукции завода. От запчастей до двигателей в сборе.
Борьба с контрафактом
ПАО "Автодизель" (Ярославский моторный завод) тщательно следит за высоким качеством продукции, а так же проводит комплекс активных мероприятий для борьбы с контрафактными предложениями на рынке. Для противодействия распространению контрафакта на официальном сайте завода создан раздел ЯМЗ/ЯЗДА. Защита от контрафакта, в котором размещена информация о конкурентных преимуществах оригинальной продукции, о рисках и угрозах использования альтернативной продукции ненадлежащего качества, а также доступна опция проверки оригинальности продукции ЯМЗ.

История бренда MetalPart началась в 1987 году, когда в России было создано небольшое конструкторское бюро, занимавшееся разработкой деталей и узлов для крупных машиностроительных предприятий. В те времена страна переживала бурный индустриальный подъём, и инженеры компании ставили перед собой задачу создавать надёжные компоненты для автомобилестроения и оборонной промышленности. В сложных экономических условиях 1990-х годов компания смогла адаптироваться к новым реалиям. Она наладила сотрудничество с предприятиями как в странах СНГ, так и за их пределами. При этом компания строго контролировала качество на всех этапах производства — от закупки сырья до выпуска готовой продукции.
В 2014 году компания достигла важного этапа в своём развитии: автокомпонентное направление было выделено в отдельное подразделение под брендом MetalPart. Это решение позволило сосредоточить усилия на производстве высококачественных, доступных и долговечных запчастей, которые могли бы конкурировать с зарубежными аналогами и способствовать поддержке российского автопрома. Компания использует передовые технологии и материалы, что позволяет выпускать детали с повышенной прочностью, износостойкостью и длительным сроком службы.
Сегодня MetalPart — это передовое российское предприятие с полным циклом производства, выпускающее свыше тысячи наименований автокомпонентов для автомобилей УАЗ и ГАЗ. Продукция охватывает все ключевые системы — двигатель, трансмиссию, подвеску и топливную систему. Компания осуществляет поставки не только по всей России, но и в страны Таможенного и Евразийского экономического союзов, включая Беларусь и Казахстан. Благодаря сертификации по международным стандартам ISO 9001 и ISO/TS 16949, продукция соответствует всем требованиям автомобильной промышленности и отличается высоким качеством исполнения. В ассортименте компании MetalPart представлено две серии деталей: стандартные детали, которые полностью соответствуют заводским параметрам и имеют гарантию от одного до двух лет и MetalPart PRO — детали с улучшенными характеристиками, созданные с использованием передовых материалов и дополнительных методов обработки. Они отличаются увеличенным сроком службы и расширенной гарантией до трёх лет. Такой подход позволяет компании удовлетворить потребности самых разных клиентов — от тех, кто ищет экономичные решения, до владельцев техники, нуждающихся в усиленных и максимально надёжных компонентах.
Компания MetalPart активно внедряет передовые цифровые технологии. Она использует системы виртуального моделирования, электронного проектирования и контроля качества, включая штрих-коды GS1, что обеспечивает полную прослеживаемость продукции. В будущем компания планирует развивать аддитивные технологии, автоматизировать производственные процессы и расширять ассортимент товаров. Все эти меры направлены на повышение конкурентоспособности и гибкую адаптацию к изменяющимся рыночным условиям. MetalPart не только производит автокомпоненты, но и уделяет большое внимание поддержке своих партнёров. Она проводит обучение, предоставляет консультации и оперативно решает технические проблемы. Компания регулярно участвует в профильных выставках, выпускает информационные каталоги и обучающие материалы, что способствует укреплению связей и доверия с клиентами.
За более чем тридцатилетнюю историю компания MetalPart прошла путь от небольшого конструкторского бюро до современного производителя, сочетающего опыт и инновации. Сегодня бренд остается верным своим традициям, предлагая надежные решения для российских автомобилей, которые способны выдерживать даже самые суровые условия эксплуатации.
Ассортимент:
- Детали двигателя
- Элементы топливной системы
- Детали системы охлаждения
- Сцепления
- Детали КПП и РК
- Карданные валы
- Мосты и комплектующие
- Детали подвески
- Ступицы
- Элементы рулевого управления
- комплектующие тормозной системы
- Провода высоковольтные
- Стартеры
- Стеклоочистители и привода
- Вентиляция и отопление
- Сальники
- Комплекты ремонтные и установочные
На складах : 6 шт.

История бренда MetalPart началась в 1987 году, когда в России было создано небольшое конструкторское бюро, занимавшееся разработкой деталей и узлов для крупных машиностроительных предприятий. В те времена страна переживала бурный индустриальный подъём, и инженеры компании ставили перед собой задачу создавать надёжные компоненты для автомобилестроения и оборонной промышленности. В сложных экономических условиях 1990-х годов компания смогла адаптироваться к новым реалиям. Она наладила сотрудничество с предприятиями как в странах СНГ, так и за их пределами. При этом компания строго контролировала качество на всех этапах производства — от закупки сырья до выпуска готовой продукции.
В 2014 году компания достигла важного этапа в своём развитии: автокомпонентное направление было выделено в отдельное подразделение под брендом MetalPart. Это решение позволило сосредоточить усилия на производстве высококачественных, доступных и долговечных запчастей, которые могли бы конкурировать с зарубежными аналогами и способствовать поддержке российского автопрома. Компания использует передовые технологии и материалы, что позволяет выпускать детали с повышенной прочностью, износостойкостью и длительным сроком службы.
Сегодня MetalPart — это передовое российское предприятие с полным циклом производства, выпускающее свыше тысячи наименований автокомпонентов для автомобилей УАЗ и ГАЗ. Продукция охватывает все ключевые системы — двигатель, трансмиссию, подвеску и топливную систему. Компания осуществляет поставки не только по всей России, но и в страны Таможенного и Евразийского экономического союзов, включая Беларусь и Казахстан. Благодаря сертификации по международным стандартам ISO 9001 и ISO/TS 16949, продукция соответствует всем требованиям автомобильной промышленности и отличается высоким качеством исполнения. В ассортименте компании MetalPart представлено две серии деталей: стандартные детали, которые полностью соответствуют заводским параметрам и имеют гарантию от одного до двух лет и MetalPart PRO — детали с улучшенными характеристиками, созданные с использованием передовых материалов и дополнительных методов обработки. Они отличаются увеличенным сроком службы и расширенной гарантией до трёх лет. Такой подход позволяет компании удовлетворить потребности самых разных клиентов — от тех, кто ищет экономичные решения, до владельцев техники, нуждающихся в усиленных и максимально надёжных компонентах.
Компания MetalPart активно внедряет передовые цифровые технологии. Она использует системы виртуального моделирования, электронного проектирования и контроля качества, включая штрих-коды GS1, что обеспечивает полную прослеживаемость продукции. В будущем компания планирует развивать аддитивные технологии, автоматизировать производственные процессы и расширять ассортимент товаров. Все эти меры направлены на повышение конкурентоспособности и гибкую адаптацию к изменяющимся рыночным условиям. MetalPart не только производит автокомпоненты, но и уделяет большое внимание поддержке своих партнёров. Она проводит обучение, предоставляет консультации и оперативно решает технические проблемы. Компания регулярно участвует в профильных выставках, выпускает информационные каталоги и обучающие материалы, что способствует укреплению связей и доверия с клиентами.
За более чем тридцатилетнюю историю компания MetalPart прошла путь от небольшого конструкторского бюро до современного производителя, сочетающего опыт и инновации. Сегодня бренд остается верным своим традициям, предлагая надежные решения для российских автомобилей, которые способны выдерживать даже самые суровые условия эксплуатации.
Ассортимент:
- Детали двигателя
- Элементы топливной системы
- Детали системы охлаждения
- Сцепления
- Детали КПП и РК
- Карданные валы
- Мосты и комплектующие
- Детали подвески
- Ступицы
- Элементы рулевого управления
- комплектующие тормозной системы
- Провода высоковольтные
- Стартеры
- Стеклоочистители и привода
- Вентиляция и отопление
- Сальники
- Комплекты ремонтные и установочные

История бренда MetalPart началась в 1987 году, когда в России было создано небольшое конструкторское бюро, занимавшееся разработкой деталей и узлов для крупных машиностроительных предприятий. В те времена страна переживала бурный индустриальный подъём, и инженеры компании ставили перед собой задачу создавать надёжные компоненты для автомобилестроения и оборонной промышленности. В сложных экономических условиях 1990-х годов компания смогла адаптироваться к новым реалиям. Она наладила сотрудничество с предприятиями как в странах СНГ, так и за их пределами. При этом компания строго контролировала качество на всех этапах производства — от закупки сырья до выпуска готовой продукции.
В 2014 году компания достигла важного этапа в своём развитии: автокомпонентное направление было выделено в отдельное подразделение под брендом MetalPart. Это решение позволило сосредоточить усилия на производстве высококачественных, доступных и долговечных запчастей, которые могли бы конкурировать с зарубежными аналогами и способствовать поддержке российского автопрома. Компания использует передовые технологии и материалы, что позволяет выпускать детали с повышенной прочностью, износостойкостью и длительным сроком службы.
Сегодня MetalPart — это передовое российское предприятие с полным циклом производства, выпускающее свыше тысячи наименований автокомпонентов для автомобилей УАЗ и ГАЗ. Продукция охватывает все ключевые системы — двигатель, трансмиссию, подвеску и топливную систему. Компания осуществляет поставки не только по всей России, но и в страны Таможенного и Евразийского экономического союзов, включая Беларусь и Казахстан. Благодаря сертификации по международным стандартам ISO 9001 и ISO/TS 16949, продукция соответствует всем требованиям автомобильной промышленности и отличается высоким качеством исполнения. В ассортименте компании MetalPart представлено две серии деталей: стандартные детали, которые полностью соответствуют заводским параметрам и имеют гарантию от одного до двух лет и MetalPart PRO — детали с улучшенными характеристиками, созданные с использованием передовых материалов и дополнительных методов обработки. Они отличаются увеличенным сроком службы и расширенной гарантией до трёх лет. Такой подход позволяет компании удовлетворить потребности самых разных клиентов — от тех, кто ищет экономичные решения, до владельцев техники, нуждающихся в усиленных и максимально надёжных компонентах.
Компания MetalPart активно внедряет передовые цифровые технологии. Она использует системы виртуального моделирования, электронного проектирования и контроля качества, включая штрих-коды GS1, что обеспечивает полную прослеживаемость продукции. В будущем компания планирует развивать аддитивные технологии, автоматизировать производственные процессы и расширять ассортимент товаров. Все эти меры направлены на повышение конкурентоспособности и гибкую адаптацию к изменяющимся рыночным условиям. MetalPart не только производит автокомпоненты, но и уделяет большое внимание поддержке своих партнёров. Она проводит обучение, предоставляет консультации и оперативно решает технические проблемы. Компания регулярно участвует в профильных выставках, выпускает информационные каталоги и обучающие материалы, что способствует укреплению связей и доверия с клиентами.
За более чем тридцатилетнюю историю компания MetalPart прошла путь от небольшого конструкторского бюро до современного производителя, сочетающего опыт и инновации. Сегодня бренд остается верным своим традициям, предлагая надежные решения для российских автомобилей, которые способны выдерживать даже самые суровые условия эксплуатации.
Ассортимент:
- Детали двигателя
- Элементы топливной системы
- Детали системы охлаждения
- Сцепления
- Детали КПП и РК
- Карданные валы
- Мосты и комплектующие
- Детали подвески
- Ступицы
- Элементы рулевого управления
- комплектующие тормозной системы
- Провода высоковольтные
- Стартеры
- Стеклоочистители и привода
- Вентиляция и отопление
- Сальники
- Комплекты ремонтные и установочные
На складах : 9 шт.

История бренда MetalPart началась в 1987 году, когда в России было создано небольшое конструкторское бюро, занимавшееся разработкой деталей и узлов для крупных машиностроительных предприятий. В те времена страна переживала бурный индустриальный подъём, и инженеры компании ставили перед собой задачу создавать надёжные компоненты для автомобилестроения и оборонной промышленности. В сложных экономических условиях 1990-х годов компания смогла адаптироваться к новым реалиям. Она наладила сотрудничество с предприятиями как в странах СНГ, так и за их пределами. При этом компания строго контролировала качество на всех этапах производства — от закупки сырья до выпуска готовой продукции.
В 2014 году компания достигла важного этапа в своём развитии: автокомпонентное направление было выделено в отдельное подразделение под брендом MetalPart. Это решение позволило сосредоточить усилия на производстве высококачественных, доступных и долговечных запчастей, которые могли бы конкурировать с зарубежными аналогами и способствовать поддержке российского автопрома. Компания использует передовые технологии и материалы, что позволяет выпускать детали с повышенной прочностью, износостойкостью и длительным сроком службы.
Сегодня MetalPart — это передовое российское предприятие с полным циклом производства, выпускающее свыше тысячи наименований автокомпонентов для автомобилей УАЗ и ГАЗ. Продукция охватывает все ключевые системы — двигатель, трансмиссию, подвеску и топливную систему. Компания осуществляет поставки не только по всей России, но и в страны Таможенного и Евразийского экономического союзов, включая Беларусь и Казахстан. Благодаря сертификации по международным стандартам ISO 9001 и ISO/TS 16949, продукция соответствует всем требованиям автомобильной промышленности и отличается высоким качеством исполнения. В ассортименте компании MetalPart представлено две серии деталей: стандартные детали, которые полностью соответствуют заводским параметрам и имеют гарантию от одного до двух лет и MetalPart PRO — детали с улучшенными характеристиками, созданные с использованием передовых материалов и дополнительных методов обработки. Они отличаются увеличенным сроком службы и расширенной гарантией до трёх лет. Такой подход позволяет компании удовлетворить потребности самых разных клиентов — от тех, кто ищет экономичные решения, до владельцев техники, нуждающихся в усиленных и максимально надёжных компонентах.
Компания MetalPart активно внедряет передовые цифровые технологии. Она использует системы виртуального моделирования, электронного проектирования и контроля качества, включая штрих-коды GS1, что обеспечивает полную прослеживаемость продукции. В будущем компания планирует развивать аддитивные технологии, автоматизировать производственные процессы и расширять ассортимент товаров. Все эти меры направлены на повышение конкурентоспособности и гибкую адаптацию к изменяющимся рыночным условиям. MetalPart не только производит автокомпоненты, но и уделяет большое внимание поддержке своих партнёров. Она проводит обучение, предоставляет консультации и оперативно решает технические проблемы. Компания регулярно участвует в профильных выставках, выпускает информационные каталоги и обучающие материалы, что способствует укреплению связей и доверия с клиентами.
За более чем тридцатилетнюю историю компания MetalPart прошла путь от небольшого конструкторского бюро до современного производителя, сочетающего опыт и инновации. Сегодня бренд остается верным своим традициям, предлагая надежные решения для российских автомобилей, которые способны выдерживать даже самые суровые условия эксплуатации.
Ассортимент:
- Детали двигателя
- Элементы топливной системы
- Детали системы охлаждения
- Сцепления
- Детали КПП и РК
- Карданные валы
- Мосты и комплектующие
- Детали подвески
- Ступицы
- Элементы рулевого управления
- комплектующие тормозной системы
- Провода высоковольтные
- Стартеры
- Стеклоочистители и привода
- Вентиляция и отопление
- Сальники
- Комплекты ремонтные и установочные

История бренда MetalPart началась в 1987 году, когда в России было создано небольшое конструкторское бюро, занимавшееся разработкой деталей и узлов для крупных машиностроительных предприятий. В те времена страна переживала бурный индустриальный подъём, и инженеры компании ставили перед собой задачу создавать надёжные компоненты для автомобилестроения и оборонной промышленности. В сложных экономических условиях 1990-х годов компания смогла адаптироваться к новым реалиям. Она наладила сотрудничество с предприятиями как в странах СНГ, так и за их пределами. При этом компания строго контролировала качество на всех этапах производства — от закупки сырья до выпуска готовой продукции.
В 2014 году компания достигла важного этапа в своём развитии: автокомпонентное направление было выделено в отдельное подразделение под брендом MetalPart. Это решение позволило сосредоточить усилия на производстве высококачественных, доступных и долговечных запчастей, которые могли бы конкурировать с зарубежными аналогами и способствовать поддержке российского автопрома. Компания использует передовые технологии и материалы, что позволяет выпускать детали с повышенной прочностью, износостойкостью и длительным сроком службы.
Сегодня MetalPart — это передовое российское предприятие с полным циклом производства, выпускающее свыше тысячи наименований автокомпонентов для автомобилей УАЗ и ГАЗ. Продукция охватывает все ключевые системы — двигатель, трансмиссию, подвеску и топливную систему. Компания осуществляет поставки не только по всей России, но и в страны Таможенного и Евразийского экономического союзов, включая Беларусь и Казахстан. Благодаря сертификации по международным стандартам ISO 9001 и ISO/TS 16949, продукция соответствует всем требованиям автомобильной промышленности и отличается высоким качеством исполнения. В ассортименте компании MetalPart представлено две серии деталей: стандартные детали, которые полностью соответствуют заводским параметрам и имеют гарантию от одного до двух лет и MetalPart PRO — детали с улучшенными характеристиками, созданные с использованием передовых материалов и дополнительных методов обработки. Они отличаются увеличенным сроком службы и расширенной гарантией до трёх лет. Такой подход позволяет компании удовлетворить потребности самых разных клиентов — от тех, кто ищет экономичные решения, до владельцев техники, нуждающихся в усиленных и максимально надёжных компонентах.
Компания MetalPart активно внедряет передовые цифровые технологии. Она использует системы виртуального моделирования, электронного проектирования и контроля качества, включая штрих-коды GS1, что обеспечивает полную прослеживаемость продукции. В будущем компания планирует развивать аддитивные технологии, автоматизировать производственные процессы и расширять ассортимент товаров. Все эти меры направлены на повышение конкурентоспособности и гибкую адаптацию к изменяющимся рыночным условиям. MetalPart не только производит автокомпоненты, но и уделяет большое внимание поддержке своих партнёров. Она проводит обучение, предоставляет консультации и оперативно решает технические проблемы. Компания регулярно участвует в профильных выставках, выпускает информационные каталоги и обучающие материалы, что способствует укреплению связей и доверия с клиентами.
За более чем тридцатилетнюю историю компания MetalPart прошла путь от небольшого конструкторского бюро до современного производителя, сочетающего опыт и инновации. Сегодня бренд остается верным своим традициям, предлагая надежные решения для российских автомобилей, которые способны выдерживать даже самые суровые условия эксплуатации.
Ассортимент:
- Детали двигателя
- Элементы топливной системы
- Детали системы охлаждения
- Сцепления
- Детали КПП и РК
- Карданные валы
- Мосты и комплектующие
- Детали подвески
- Ступицы
- Элементы рулевого управления
- комплектующие тормозной системы
- Провода высоковольтные
- Стартеры
- Стеклоочистители и привода
- Вентиляция и отопление
- Сальники
- Комплекты ремонтные и установочные
На складах : 22 шт.

История бренда MetalPart началась в 1987 году, когда в России было создано небольшое конструкторское бюро, занимавшееся разработкой деталей и узлов для крупных машиностроительных предприятий. В те времена страна переживала бурный индустриальный подъём, и инженеры компании ставили перед собой задачу создавать надёжные компоненты для автомобилестроения и оборонной промышленности. В сложных экономических условиях 1990-х годов компания смогла адаптироваться к новым реалиям. Она наладила сотрудничество с предприятиями как в странах СНГ, так и за их пределами. При этом компания строго контролировала качество на всех этапах производства — от закупки сырья до выпуска готовой продукции.
В 2014 году компания достигла важного этапа в своём развитии: автокомпонентное направление было выделено в отдельное подразделение под брендом MetalPart. Это решение позволило сосредоточить усилия на производстве высококачественных, доступных и долговечных запчастей, которые могли бы конкурировать с зарубежными аналогами и способствовать поддержке российского автопрома. Компания использует передовые технологии и материалы, что позволяет выпускать детали с повышенной прочностью, износостойкостью и длительным сроком службы.
Сегодня MetalPart — это передовое российское предприятие с полным циклом производства, выпускающее свыше тысячи наименований автокомпонентов для автомобилей УАЗ и ГАЗ. Продукция охватывает все ключевые системы — двигатель, трансмиссию, подвеску и топливную систему. Компания осуществляет поставки не только по всей России, но и в страны Таможенного и Евразийского экономического союзов, включая Беларусь и Казахстан. Благодаря сертификации по международным стандартам ISO 9001 и ISO/TS 16949, продукция соответствует всем требованиям автомобильной промышленности и отличается высоким качеством исполнения. В ассортименте компании MetalPart представлено две серии деталей: стандартные детали, которые полностью соответствуют заводским параметрам и имеют гарантию от одного до двух лет и MetalPart PRO — детали с улучшенными характеристиками, созданные с использованием передовых материалов и дополнительных методов обработки. Они отличаются увеличенным сроком службы и расширенной гарантией до трёх лет. Такой подход позволяет компании удовлетворить потребности самых разных клиентов — от тех, кто ищет экономичные решения, до владельцев техники, нуждающихся в усиленных и максимально надёжных компонентах.
Компания MetalPart активно внедряет передовые цифровые технологии. Она использует системы виртуального моделирования, электронного проектирования и контроля качества, включая штрих-коды GS1, что обеспечивает полную прослеживаемость продукции. В будущем компания планирует развивать аддитивные технологии, автоматизировать производственные процессы и расширять ассортимент товаров. Все эти меры направлены на повышение конкурентоспособности и гибкую адаптацию к изменяющимся рыночным условиям. MetalPart не только производит автокомпоненты, но и уделяет большое внимание поддержке своих партнёров. Она проводит обучение, предоставляет консультации и оперативно решает технические проблемы. Компания регулярно участвует в профильных выставках, выпускает информационные каталоги и обучающие материалы, что способствует укреплению связей и доверия с клиентами.
За более чем тридцатилетнюю историю компания MetalPart прошла путь от небольшого конструкторского бюро до современного производителя, сочетающего опыт и инновации. Сегодня бренд остается верным своим традициям, предлагая надежные решения для российских автомобилей, которые способны выдерживать даже самые суровые условия эксплуатации.
Ассортимент:
- Детали двигателя
- Элементы топливной системы
- Детали системы охлаждения
- Сцепления
- Детали КПП и РК
- Карданные валы
- Мосты и комплектующие
- Детали подвески
- Ступицы
- Элементы рулевого управления
- комплектующие тормозной системы
- Провода высоковольтные
- Стартеры
- Стеклоочистители и привода
- Вентиляция и отопление
- Сальники
- Комплекты ремонтные и установочные

История бренда MetalPart началась в 1987 году, когда в России было создано небольшое конструкторское бюро, занимавшееся разработкой деталей и узлов для крупных машиностроительных предприятий. В те времена страна переживала бурный индустриальный подъём, и инженеры компании ставили перед собой задачу создавать надёжные компоненты для автомобилестроения и оборонной промышленности. В сложных экономических условиях 1990-х годов компания смогла адаптироваться к новым реалиям. Она наладила сотрудничество с предприятиями как в странах СНГ, так и за их пределами. При этом компания строго контролировала качество на всех этапах производства — от закупки сырья до выпуска готовой продукции.
В 2014 году компания достигла важного этапа в своём развитии: автокомпонентное направление было выделено в отдельное подразделение под брендом MetalPart. Это решение позволило сосредоточить усилия на производстве высококачественных, доступных и долговечных запчастей, которые могли бы конкурировать с зарубежными аналогами и способствовать поддержке российского автопрома. Компания использует передовые технологии и материалы, что позволяет выпускать детали с повышенной прочностью, износостойкостью и длительным сроком службы.
Сегодня MetalPart — это передовое российское предприятие с полным циклом производства, выпускающее свыше тысячи наименований автокомпонентов для автомобилей УАЗ и ГАЗ. Продукция охватывает все ключевые системы — двигатель, трансмиссию, подвеску и топливную систему. Компания осуществляет поставки не только по всей России, но и в страны Таможенного и Евразийского экономического союзов, включая Беларусь и Казахстан. Благодаря сертификации по международным стандартам ISO 9001 и ISO/TS 16949, продукция соответствует всем требованиям автомобильной промышленности и отличается высоким качеством исполнения. В ассортименте компании MetalPart представлено две серии деталей: стандартные детали, которые полностью соответствуют заводским параметрам и имеют гарантию от одного до двух лет и MetalPart PRO — детали с улучшенными характеристиками, созданные с использованием передовых материалов и дополнительных методов обработки. Они отличаются увеличенным сроком службы и расширенной гарантией до трёх лет. Такой подход позволяет компании удовлетворить потребности самых разных клиентов — от тех, кто ищет экономичные решения, до владельцев техники, нуждающихся в усиленных и максимально надёжных компонентах.
Компания MetalPart активно внедряет передовые цифровые технологии. Она использует системы виртуального моделирования, электронного проектирования и контроля качества, включая штрих-коды GS1, что обеспечивает полную прослеживаемость продукции. В будущем компания планирует развивать аддитивные технологии, автоматизировать производственные процессы и расширять ассортимент товаров. Все эти меры направлены на повышение конкурентоспособности и гибкую адаптацию к изменяющимся рыночным условиям. MetalPart не только производит автокомпоненты, но и уделяет большое внимание поддержке своих партнёров. Она проводит обучение, предоставляет консультации и оперативно решает технические проблемы. Компания регулярно участвует в профильных выставках, выпускает информационные каталоги и обучающие материалы, что способствует укреплению связей и доверия с клиентами.
За более чем тридцатилетнюю историю компания MetalPart прошла путь от небольшого конструкторского бюро до современного производителя, сочетающего опыт и инновации. Сегодня бренд остается верным своим традициям, предлагая надежные решения для российских автомобилей, которые способны выдерживать даже самые суровые условия эксплуатации.
Ассортимент:
- Детали двигателя
- Элементы топливной системы
- Детали системы охлаждения
- Сцепления
- Детали КПП и РК
- Карданные валы
- Мосты и комплектующие
- Детали подвески
- Ступицы
- Элементы рулевого управления
- комплектующие тормозной системы
- Провода высоковольтные
- Стартеры
- Стеклоочистители и привода
- Вентиляция и отопление
- Сальники
- Комплекты ремонтные и установочные
На складах : 10 шт.

История бренда MetalPart началась в 1987 году, когда в России было создано небольшое конструкторское бюро, занимавшееся разработкой деталей и узлов для крупных машиностроительных предприятий. В те времена страна переживала бурный индустриальный подъём, и инженеры компании ставили перед собой задачу создавать надёжные компоненты для автомобилестроения и оборонной промышленности. В сложных экономических условиях 1990-х годов компания смогла адаптироваться к новым реалиям. Она наладила сотрудничество с предприятиями как в странах СНГ, так и за их пределами. При этом компания строго контролировала качество на всех этапах производства — от закупки сырья до выпуска готовой продукции.
В 2014 году компания достигла важного этапа в своём развитии: автокомпонентное направление было выделено в отдельное подразделение под брендом MetalPart. Это решение позволило сосредоточить усилия на производстве высококачественных, доступных и долговечных запчастей, которые могли бы конкурировать с зарубежными аналогами и способствовать поддержке российского автопрома. Компания использует передовые технологии и материалы, что позволяет выпускать детали с повышенной прочностью, износостойкостью и длительным сроком службы.
Сегодня MetalPart — это передовое российское предприятие с полным циклом производства, выпускающее свыше тысячи наименований автокомпонентов для автомобилей УАЗ и ГАЗ. Продукция охватывает все ключевые системы — двигатель, трансмиссию, подвеску и топливную систему. Компания осуществляет поставки не только по всей России, но и в страны Таможенного и Евразийского экономического союзов, включая Беларусь и Казахстан. Благодаря сертификации по международным стандартам ISO 9001 и ISO/TS 16949, продукция соответствует всем требованиям автомобильной промышленности и отличается высоким качеством исполнения. В ассортименте компании MetalPart представлено две серии деталей: стандартные детали, которые полностью соответствуют заводским параметрам и имеют гарантию от одного до двух лет и MetalPart PRO — детали с улучшенными характеристиками, созданные с использованием передовых материалов и дополнительных методов обработки. Они отличаются увеличенным сроком службы и расширенной гарантией до трёх лет. Такой подход позволяет компании удовлетворить потребности самых разных клиентов — от тех, кто ищет экономичные решения, до владельцев техники, нуждающихся в усиленных и максимально надёжных компонентах.
Компания MetalPart активно внедряет передовые цифровые технологии. Она использует системы виртуального моделирования, электронного проектирования и контроля качества, включая штрих-коды GS1, что обеспечивает полную прослеживаемость продукции. В будущем компания планирует развивать аддитивные технологии, автоматизировать производственные процессы и расширять ассортимент товаров. Все эти меры направлены на повышение конкурентоспособности и гибкую адаптацию к изменяющимся рыночным условиям. MetalPart не только производит автокомпоненты, но и уделяет большое внимание поддержке своих партнёров. Она проводит обучение, предоставляет консультации и оперативно решает технические проблемы. Компания регулярно участвует в профильных выставках, выпускает информационные каталоги и обучающие материалы, что способствует укреплению связей и доверия с клиентами.
За более чем тридцатилетнюю историю компания MetalPart прошла путь от небольшого конструкторского бюро до современного производителя, сочетающего опыт и инновации. Сегодня бренд остается верным своим традициям, предлагая надежные решения для российских автомобилей, которые способны выдерживать даже самые суровые условия эксплуатации.
Ассортимент:
- Детали двигателя
- Элементы топливной системы
- Детали системы охлаждения
- Сцепления
- Детали КПП и РК
- Карданные валы
- Мосты и комплектующие
- Детали подвески
- Ступицы
- Элементы рулевого управления
- комплектующие тормозной системы
- Провода высоковольтные
- Стартеры
- Стеклоочистители и привода
- Вентиляция и отопление
- Сальники
- Комплекты ремонтные и установочные

История бренда MetalPart началась в 1987 году, когда в России было создано небольшое конструкторское бюро, занимавшееся разработкой деталей и узлов для крупных машиностроительных предприятий. В те времена страна переживала бурный индустриальный подъём, и инженеры компании ставили перед собой задачу создавать надёжные компоненты для автомобилестроения и оборонной промышленности. В сложных экономических условиях 1990-х годов компания смогла адаптироваться к новым реалиям. Она наладила сотрудничество с предприятиями как в странах СНГ, так и за их пределами. При этом компания строго контролировала качество на всех этапах производства — от закупки сырья до выпуска готовой продукции.
В 2014 году компания достигла важного этапа в своём развитии: автокомпонентное направление было выделено в отдельное подразделение под брендом MetalPart. Это решение позволило сосредоточить усилия на производстве высококачественных, доступных и долговечных запчастей, которые могли бы конкурировать с зарубежными аналогами и способствовать поддержке российского автопрома. Компания использует передовые технологии и материалы, что позволяет выпускать детали с повышенной прочностью, износостойкостью и длительным сроком службы.
Сегодня MetalPart — это передовое российское предприятие с полным циклом производства, выпускающее свыше тысячи наименований автокомпонентов для автомобилей УАЗ и ГАЗ. Продукция охватывает все ключевые системы — двигатель, трансмиссию, подвеску и топливную систему. Компания осуществляет поставки не только по всей России, но и в страны Таможенного и Евразийского экономического союзов, включая Беларусь и Казахстан. Благодаря сертификации по международным стандартам ISO 9001 и ISO/TS 16949, продукция соответствует всем требованиям автомобильной промышленности и отличается высоким качеством исполнения. В ассортименте компании MetalPart представлено две серии деталей: стандартные детали, которые полностью соответствуют заводским параметрам и имеют гарантию от одного до двух лет и MetalPart PRO — детали с улучшенными характеристиками, созданные с использованием передовых материалов и дополнительных методов обработки. Они отличаются увеличенным сроком службы и расширенной гарантией до трёх лет. Такой подход позволяет компании удовлетворить потребности самых разных клиентов — от тех, кто ищет экономичные решения, до владельцев техники, нуждающихся в усиленных и максимально надёжных компонентах.
Компания MetalPart активно внедряет передовые цифровые технологии. Она использует системы виртуального моделирования, электронного проектирования и контроля качества, включая штрих-коды GS1, что обеспечивает полную прослеживаемость продукции. В будущем компания планирует развивать аддитивные технологии, автоматизировать производственные процессы и расширять ассортимент товаров. Все эти меры направлены на повышение конкурентоспособности и гибкую адаптацию к изменяющимся рыночным условиям. MetalPart не только производит автокомпоненты, но и уделяет большое внимание поддержке своих партнёров. Она проводит обучение, предоставляет консультации и оперативно решает технические проблемы. Компания регулярно участвует в профильных выставках, выпускает информационные каталоги и обучающие материалы, что способствует укреплению связей и доверия с клиентами.
За более чем тридцатилетнюю историю компания MetalPart прошла путь от небольшого конструкторского бюро до современного производителя, сочетающего опыт и инновации. Сегодня бренд остается верным своим традициям, предлагая надежные решения для российских автомобилей, которые способны выдерживать даже самые суровые условия эксплуатации.
Ассортимент:
- Детали двигателя
- Элементы топливной системы
- Детали системы охлаждения
- Сцепления
- Детали КПП и РК
- Карданные валы
- Мосты и комплектующие
- Детали подвески
- Ступицы
- Элементы рулевого управления
- комплектующие тормозной системы
- Провода высоковольтные
- Стартеры
- Стеклоочистители и привода
- Вентиляция и отопление
- Сальники
- Комплекты ремонтные и установочные
На складах : 9 шт.

История бренда MetalPart началась в 1987 году, когда в России было создано небольшое конструкторское бюро, занимавшееся разработкой деталей и узлов для крупных машиностроительных предприятий. В те времена страна переживала бурный индустриальный подъём, и инженеры компании ставили перед собой задачу создавать надёжные компоненты для автомобилестроения и оборонной промышленности. В сложных экономических условиях 1990-х годов компания смогла адаптироваться к новым реалиям. Она наладила сотрудничество с предприятиями как в странах СНГ, так и за их пределами. При этом компания строго контролировала качество на всех этапах производства — от закупки сырья до выпуска готовой продукции.
В 2014 году компания достигла важного этапа в своём развитии: автокомпонентное направление было выделено в отдельное подразделение под брендом MetalPart. Это решение позволило сосредоточить усилия на производстве высококачественных, доступных и долговечных запчастей, которые могли бы конкурировать с зарубежными аналогами и способствовать поддержке российского автопрома. Компания использует передовые технологии и материалы, что позволяет выпускать детали с повышенной прочностью, износостойкостью и длительным сроком службы.
Сегодня MetalPart — это передовое российское предприятие с полным циклом производства, выпускающее свыше тысячи наименований автокомпонентов для автомобилей УАЗ и ГАЗ. Продукция охватывает все ключевые системы — двигатель, трансмиссию, подвеску и топливную систему. Компания осуществляет поставки не только по всей России, но и в страны Таможенного и Евразийского экономического союзов, включая Беларусь и Казахстан. Благодаря сертификации по международным стандартам ISO 9001 и ISO/TS 16949, продукция соответствует всем требованиям автомобильной промышленности и отличается высоким качеством исполнения. В ассортименте компании MetalPart представлено две серии деталей: стандартные детали, которые полностью соответствуют заводским параметрам и имеют гарантию от одного до двух лет и MetalPart PRO — детали с улучшенными характеристиками, созданные с использованием передовых материалов и дополнительных методов обработки. Они отличаются увеличенным сроком службы и расширенной гарантией до трёх лет. Такой подход позволяет компании удовлетворить потребности самых разных клиентов — от тех, кто ищет экономичные решения, до владельцев техники, нуждающихся в усиленных и максимально надёжных компонентах.
Компания MetalPart активно внедряет передовые цифровые технологии. Она использует системы виртуального моделирования, электронного проектирования и контроля качества, включая штрих-коды GS1, что обеспечивает полную прослеживаемость продукции. В будущем компания планирует развивать аддитивные технологии, автоматизировать производственные процессы и расширять ассортимент товаров. Все эти меры направлены на повышение конкурентоспособности и гибкую адаптацию к изменяющимся рыночным условиям. MetalPart не только производит автокомпоненты, но и уделяет большое внимание поддержке своих партнёров. Она проводит обучение, предоставляет консультации и оперативно решает технические проблемы. Компания регулярно участвует в профильных выставках, выпускает информационные каталоги и обучающие материалы, что способствует укреплению связей и доверия с клиентами.
За более чем тридцатилетнюю историю компания MetalPart прошла путь от небольшого конструкторского бюро до современного производителя, сочетающего опыт и инновации. Сегодня бренд остается верным своим традициям, предлагая надежные решения для российских автомобилей, которые способны выдерживать даже самые суровые условия эксплуатации.
Ассортимент:
- Детали двигателя
- Элементы топливной системы
- Детали системы охлаждения
- Сцепления
- Детали КПП и РК
- Карданные валы
- Мосты и комплектующие
- Детали подвески
- Ступицы
- Элементы рулевого управления
- комплектующие тормозной системы
- Провода высоковольтные
- Стартеры
- Стеклоочистители и привода
- Вентиляция и отопление
- Сальники
- Комплекты ремонтные и установочные