8 800 700-05-95 Все контакты

C 9:00 до 20:00. Звонок по РФ бесплатный

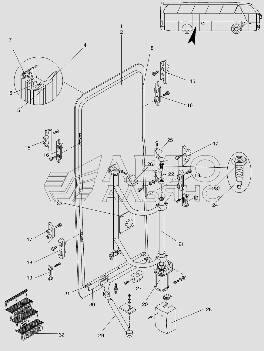
OUTWARD-SWINGING DOOR REAR LH N 516 SHD (MB, DC) E2. Каталог 2002г.

ВниманиеЭлектронный автокаталог запчастей предназначен для справочных целей! Наша компания продает только те товары, у которых есть цены в списке.

Вид отображения:

Детали справа

Номер детали на чертеже: 

DOOR CONTROL UNIT

Заводской номер: 11047480 Количество на модель: 1
11047480
1
1

Номер детали на чертеже: 

1

OUTWARD SWINGING DOOR REAR

Заводской номер: 11046702 Количество на модель: 1
11046702
1
2

Номер детали на чертеже: 

2

DOOR WING

Заводской номер: DOOR WING Количество на модель: 1
DOOR WING
1
4

Номер детали на чертеже: 

4

RUBBER FRAME

Заводской номер: 11046699 Количество на модель: 2
11046699
2
5

Номер детали на чертеже: 

5

SEALING

Заводской номер: 11039948 Количество на модель: 1
11039948
1
6

Номер детали на чертеже: 

6

PROFILE FRAME

Заводской номер: 11046698 Количество на модель: 2
11046698
2
7

Номер детали на чертеже: 

7

SWITCHING STRIP RIGHT

Заводской номер: 11045570 Количество на модель: 1
11045570
1
8

Номер детали на чертеже: 

8

SWITCHING STRIP LEFT

Заводской номер: 11045571 Количество на модель: 1
11045571
1
10

Номер детали на чертеже: 

10

CAP

Заводской номер: 11046649 Количество на модель: 1
11046649
1
15

Номер детали на чертеже: 

15

LOCK KEY UPPER

Заводской номер: 11071990 Количество на модель: 2
11071990
2
16

Номер детали на чертеже: 

16

CLOSING CAM

Заводской номер: CLOSING CAM Количество на модель: 2
CLOSING CAM
2
17

Номер детали на чертеже: 

17

LOCK KEY LOWER

Заводской номер: 11046704 Количество на модель: 2
11046704
2
19

Номер детали на чертеже: 

19

LOCK SHEET

Заводской номер: 11072003 Количество на модель: 2
11072003
2
20

Номер детали на чертеже: 

20

ACIDIMETER

Заводской номер: ACIDIMETER Количество на модель: 1
ACIDIMETER
1
21

Номер детали на чертеже: 

21

PIROT COLUMN

Заводской номер: 11071993 Количество на модель: 1
11071993
1
22

Номер детали на чертеже: 

22

PIROT COLUMN

Заводской номер: 11071994 Количество на модель: 1
11071994
1
23

Номер детали на чертеже: 

23

HEX NUT BM20X1,5

Заводской номер: 11047377 Количество на модель: 1
11047377
1
24

Номер детали на чертеже: 

24

BEARING BOLT

Заводской номер: 11072000 Количество на модель: 1
11072000
1
26

Номер детали на чертеже: 

26

CAP

Заводской номер: CAP Количество на модель: 1
CAP
1
29

Номер детали на чертеже: 

29

STEERING LINKAGE

Заводской номер: STEERING LINKAGE Количество на модель: 1
STEERING LINKAGE
1
30

Номер детали на чертеже: 

30

SEALING

Заводской номер: SEALING Количество на модель: 1
SEALING
1
31

Номер детали на чертеже: 

31

HOLDING STRIP

Заводской номер: HOLDING STRIP Количество на модель: 1
HOLDING STRIP
1
32

Номер детали на чертеже: 

32

SEALING

Заводской номер: 11047294 Количество на модель:
11047294
33

Номер детали на чертеже: 

33

COVERING OF LOCK

Заводской номер: COVERING OF LOCK Количество на модель: 1
COVERING OF LOCK
1