C 9:00 до 20:00. Звонок по РФ бесплатный

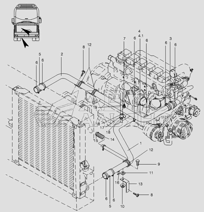
WATER CIRCULATION N 116 (MAN) E3. Каталог 2008г.

ВниманиеЭлектронный автокаталог запчастей предназначен для справочных целей! Наша компания продает только те товары, у которых есть цены в списке.

Вид отображения:

Детали справа

Номер детали на чертеже: 

WATER PIPE

Заводской номер: 11081862 Количество на модель: 1
11081862
1

Номер детали на чертеже: 

WASHER

Заводской номер: 11054594 Количество на модель: 1
11054594
1

Номер детали на чертеже: 

rubber pipe clamp rsgu 1100 60/25

Заводской номер: 11053123 Количество на модель: 3
11053123
3

Номер детали на чертеже: 

BRACKET

Заводской номер: 11068828 Количество на модель: 1
11068828
1

Номер детали на чертеже: 

HOSE

Заводской номер: 11010722 Количество на модель: 1
11010722
1

Номер детали на чертеже: 

HOSE CLAMP

Заводской номер: 11000843 Количество на модель: 4
11000843
4

Номер детали на чертеже: 

DRAIN COCK

Заводской номер: 11032253 Количество на модель: 1
11032253
1

Номер детали на чертеже: 

HOSE

Заводской номер: 11008466 Количество на модель:
11008466

Номер детали на чертеже: 

HOSE CLAMP

Заводской номер: 11000840 Количество на модель: 2
11000840
2

Номер детали на чертеже: 

NUT

Заводской номер: 11057231 Количество на модель: 1
11057231
1

Номер детали на чертеже: 

SCREW

Заводской номер: 11055520 Количество на модель: 1
11055520
1

Номер детали на чертеже: 

WATER PIPE

Заводской номер: 11081863 Количество на модель: 1
11081863
1

Номер детали на чертеже: 

SILICONE-HOSE

Заводской номер: 11009605 Количество на модель: 1
11009605
1

Номер детали на чертеже: 

HOSE

Заводской номер: 11008421 Количество на модель: 1
11008421
1

Номер детали на чертеже: 

HOSE

Заводской номер: 11009584 Количество на модель: 1
11009584
1

Номер детали на чертеже: 

SILICONE HOSE STRAIGHT 60 MM

Заводской номер: 11008494 Количество на модель: 2
11008494
2

Номер детали на чертеже: 

HOSE CLAMP

Заводской номер: 11000846 Количество на модель: 8
11000846
8

Номер детали на чертеже: 

TEMPERATURE SENSOR

Заводской номер: 11009367 Количество на модель: 1
11009367
1

Номер детали на чертеже: 

SCREW

Заводской номер: 11056775 Количество на модель: 4
11056775
4

Номер детали на чертеже: 

WATER PIPE

Заводской номер: 11032522 Количество на модель:
11032522